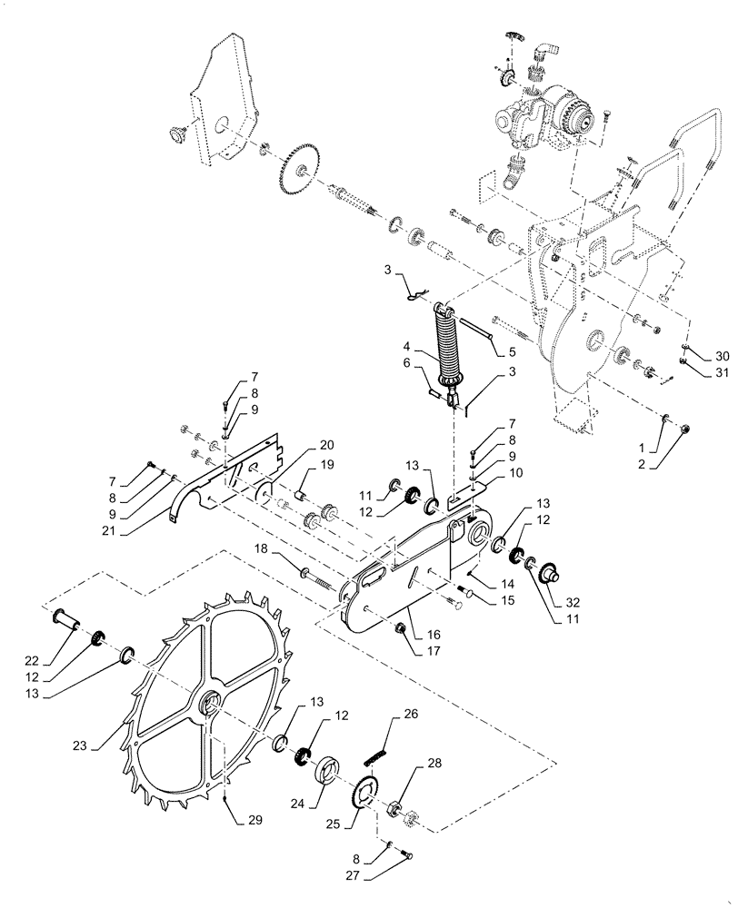
Запчасти Case IH 1625 (63.100.AB[09]) - FERTILIZER CONTACT WHEEL BREAKDOWN CONTINUED) (63) - CHEMICAL APPLICATORS

Схема запчастей Case IH 1625 - (63.100.AB[09]) - FERTILIZER CONTACT WHEEL BREAKDOWN CONTINUED) (63) - CHEMICAL APPLICATORS
26
16
12
12
3
8
25
7
22
2
10
18
13
27
9
31
9
1
23
7
4
5
12
6
13
8
9
13
3
11
17
32
19
29
7
28
24
14
8
20
21
30
12
11
8
13
15
FIT
1:1
100%

Артикул

Название

Примечание

Количество

1

86729275

LOCK WASHER,5/8 0.634 CST ZND

1шт.

2

86625068

NUT,5/8"-11, G8

1шт.

3

86523851

COTTER PIN,5/32" x 1 1/4"

1шт.

3

73358533

COTTER PIN

1шт.

4

73357091

ROD

OPENER SPRING ROD ASSY

1шт.

5

439-5864

HEADED PIN,1/2" x 4"

1шт.

5

73358526

CLEVIS PIN

CLEVIS 1/2 X 6

1шт.

6

84158480

HEADED PIN

1/2X1-3/4 1.547 GR5

1шт.

7

87872

BOLT,Hex, 5/16" - 18 x 3/4", Gr 5

1шт.

8

80681

LOCK WASHER,5/16"

1шт.

9

80664

WASHER,0.38" ID x 0.88" OD x 0.08" Thk

1шт.

10

73357708

SHIELD

CHAIN MUD

1шт.

11

73357704

SPACER

BEARING SPACER RING

1шт.

12

602958R91

BEARING ASSY,31.75 mm ID x 25.4 mm

1шт.

13

1347345C1

BEARING, CUP

2.33 OD X .465W

1шт.

14

87414

LUBE NIPPLE,1/4" - 28

1шт.

15

280504

CARRIAGE BOLT,Sq Nk, 1/2" - 13 x 2 1/4", Gr 5

1шт.

16

73357689

SUPPORT

FERT DRIVE WHL SPLIT ARM

1шт.

17

73358489

NUT

HEX FLANGE LOCK 5/8-11

1шт.

18

280792

CARRIAGE BOLT,Sht Sq Nk, 5/8" - 11 x 5", Gr 5

1шт.

19

73357705

PIVOT

IDLER PIVOT TB 1ODX.56IDX1.13

1шт.

20

73358638

WASHER

SPECIAL .074 X .53

1шт.

21

73357696

SHIELD

DRIVE CHAIN SHIELD

1шт.

22

73357703

SPINDLE

FERT DRIVE WHEEL SPINDLE

1шт.

23

73357690

WHEEL ASSY

FERT DRIVE WHEEL

1шт.

24

73357701

RING

SPROCKET SPACER RING

1шт.

25

73357702

SPROCKET

LOWER DRIVE SPROCKET

1шт.

26

73358715

CHAIN

40 122 LINKS

1шт.

27

9707515

BOLT,Hex, 5/16 - 18" x 1 3/4", Gr 5

1шт.

28

73358493

NUT

1шт.

29

219-38

LUBE NIPPLE,45 Degree Elbow, 1/4" - 28 NPTF

1шт.

30

80702

WASHER,0.44" ID x 1" OD x 0.08" Thk

1шт.

31

73358501

NUT

1шт.

32

73357693

SPROCKET

FERT DRIVE WHL PUMP DRIVE

1шт.

Выбрано товаров: 34