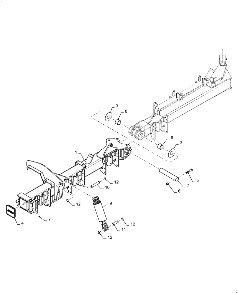
Запчасти Case IH 2150 (39.902.AB[04]) - OUTER WINGS, 12 ROW (39) - FRAMES AND BALLASTING

Схема запчастей Case IH 2150 - (39.902.AB[04]) - OUTER WINGS, 12 ROW (39) - FRAMES AND BALLASTING
12
12
3
8
9
2
6
5
12
4
10
7
3
8
12
11
1
FIT
1:1
100%

Артикул

Название

Примечание

Количество

1

73368141

12 Row Outer Wing Left Painted Red

1шт.

1

73368136

12 Row Outer Wing Right Painted Red

1шт.

2

73368116

PIN

Flex Pivot

1шт.

3

73368117

WASHER

Thrust

2шт.

4

73368118

PLUG

Vac Thick

1шт.

5

86639145

BOLT,Hex, M20 x 130mm, Cl 10.9

1шт.

6

84246762

NUT

M20

1шт.

7

321204

LUBE NIPPLE,M6 x 1.0 x 16mm OAL

1шт.

8

84327152

BUSHING

2шт.

9

47752399

HYDRAULIC CYLINDER

4.25 x 8.0

2шт.

10

87578135

PIN

31.75 x 159.1

2шт.

11

84194685

PIN

31.75 x 95

2шт.

12

86625148

SNAP RING,#125, Ext

8шт.

Выбрано товаров: 13