Качественные детали и логистика
Оригинальные и аналоговые запчасти с доставкой по России, Казахстану и Беларуси
©2022 PartSell ООО "Система" ИНН 2463123282 ОГРН 1212400004838
Центральный офис: г. Красноярск, Академика Киренского, д.87, пом.4
Телефон: 8 (800) 777-65-74 Email: zakaz@partsell.ru
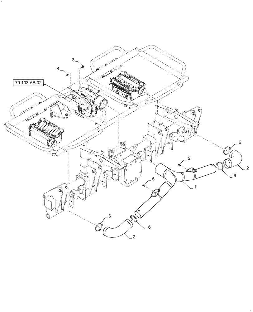
(79.105.AD[04]) - BULK FILL AIR SUPLY TUBES
№
Артикул
Название
Примечание
Количество
1
84493984
MANIFOLD
Air Supply 50 Bushel
1шт.
2
306385A1
HOSE
Bulk 5" ID Cut To Length 21"
2шт.
3
9670066
FLANGE BOLT,Hex, M12 x 30mm, Cl 8.8
4
9804279
FLANGE NUT,Hex, M12, Cl 8
5
86521613
BOLT,Hex, 3/8" - 16 x 1", Gr 5
6
87019670
HOSE CLAMP,#80, 4.62/5.50 Type F Worm
4шт.
Выбрано товаров: 0