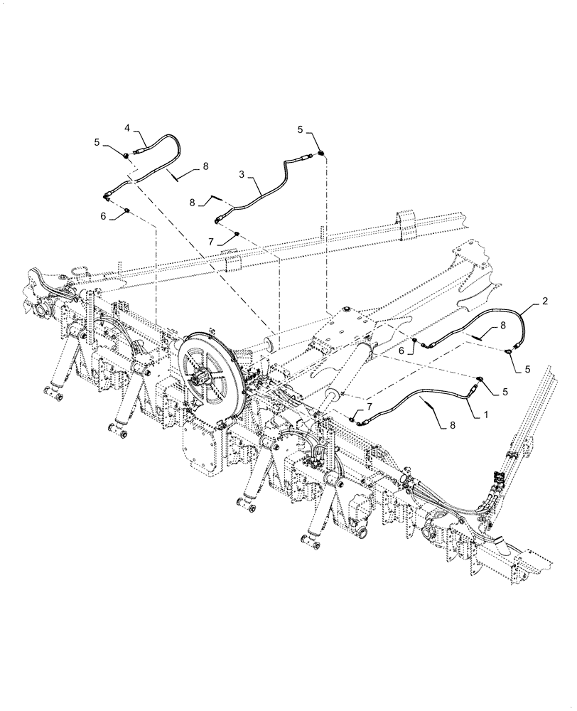
Запчасти Case IH 2150 (35.100.BI[01]) - TRANSPORT FOLD HYDRAULICS (35) - HYDRAULIC SYSTEMS

Схема запчастей Case IH 2150 - (35.100.BI[01]) - TRANSPORT FOLD HYDRAULICS (35) - HYDRAULIC SYSTEMS
5
3
7
5
8
6
8
7
6
5
8
4
8
2
5
1
FIT
1:1
100%

Артикул

Название

Примечание

Количество

1

47721236

HOSE

10 mm ID x 1400 mm Long

1шт.

2

47721237

HOSE

10 mm ID x 1600 mm Long

1шт.

3

47721238

HOSE

10 mm ID x 1480 mm Long

1шт.

4

47721239

HOSE

10 mm ID x 1600 mm Long

1шт.

5

9840543

90 ELBOW,90 Degree, 11/16"-16 x 9/16"-18 Adj, ORFS

4шт.

6

87672176

HYD CONNECTOR

3/8" 90 Deg

2шт.

7

47826739

ORIFICE

8 x ORFS 6 1.57 mm

2шт.

8

87502038

CABLE TIE

Small

4шт.

Выбрано товаров: 8