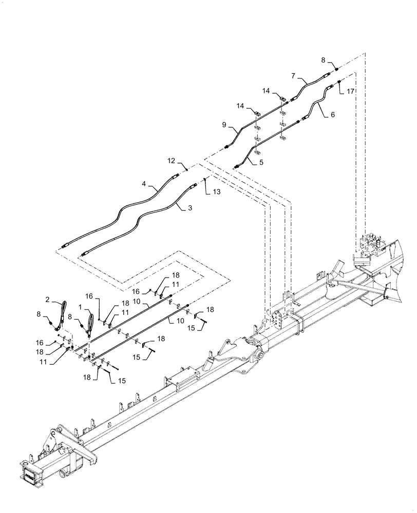
Запчасти Case IH 2150 (35.100.BI[04]) - RIGHT WING WHEEL LIFT HYDRAULICS (35) - HYDRAULIC SYSTEMS

Схема запчастей Case IH 2150 - (35.100.BI[04]) - RIGHT WING WHEEL LIFT HYDRAULICS (35) - HYDRAULIC SYSTEMS
4
15
18
3
18
5
11
8
16
2
18
9
15
16
18
12
13
7
15
17
10
18
10
16
8
14
8
11
11
6
14
18
18
1
FIT
1:1
100%

Артикул

Название

Примечание

Количество

1

47918352

HYDRAULIC HOSE

10 mm ID x 760 mm Long

1шт.

2

47729652

HOSE

10 mm ID x 990 mm Long

1шт.

3

47918748

HYDRAULIC HOSE

10 mm ID x 2225 mm Long

1шт.

4

47918749

HYDRAULIC HOSE

10 mm ID x 2175 mm Long

1шт.

5

47727726

TUBE

Inner Wing Lift Marker

1шт.

6

47731311

HOSE

10 mm ID x 770 mm Long

1шт.

7

47731317

HOSE

10 mm ID x 700 mm Long

1шт.

8

87672176

HYD CONNECTOR

3/8"

3шт.

9

47761754

TUBE

Inner Wing 13 mm OD

1шт.

10

47860597

TUBE

Outer Wing Wheel Lift

2шт.

11

87705202

CLAMP,12.7mm OD Tube x 12.7mm OD Tube

8шт.

12

87381287

LOCK NUT

3/8" Tube

1шт.

13

87381289

BHD LOCK NUT,13/16"-16, 12mm OD

1/2" Tube

1шт.

14

87000149

CLAMP

12.7 x 12.7"

4шт.

15

86508571

BOLT,Hex, M8 x 90mm, Cl 8.8

4шт.

16

68841

NUT,M8 x 1.25, Cl 8

4шт.

17

9992305

HYD CONNECTOR,13/16" - 16 ORFS x 3/4" - 16 ORB

1шт.

18

384870A1

PLATE

Hose Clamp Cover

8шт.

Выбрано товаров: 18