Запчасти Case IH 2150 (35.100.BI[09]) - HYDRAULIC WEIGHT MANAGEMENT (35) - HYDRAULIC SYSTEMS

Схема запчастей Case IH 2150 - (35.100.BI[09]) - HYDRAULIC WEIGHT MANAGEMENT (35) - HYDRAULIC SYSTEMS
21
20
20
22
21
5
15
20
9
19
6
24
23
17
22
13
3
4
8
4
18
21
10
14
17
11
2
22
1
19
16
7
12
FIT
1:1
100%

Артикул

Название

Примечание

Количество

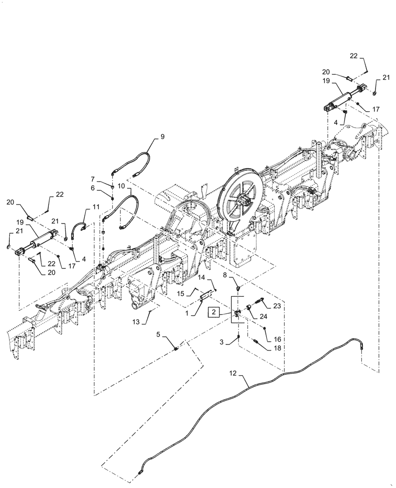
1

47811408

BRACKET

Weight Managment Red

1шт.

2

47666427

VALVE BODY

Hydraulic Weight Managment, Incl 23, 24

1шт.

3

277961A1

VALVE

In-Line Check To Port 3

1шт.

4

84390792

90 ELBOW

3/8"

2шт.

5

87305436

HYD CONNECTOR

To Port 1

1шт.

6

87610706

REDUCER,1"-14 UNF-2A - 11/16-16 UNF-2A

5/8 x 3/8"

2шт.

7

86624028

TUBE NUT,1"-14 ORFS

2шт.

8

9840543

90 ELBOW,90 Degree, 11/16"-16 x 9/16"-18 Adj, ORFS

To Port 2

1шт.

9

47745767

HOSE

10mm ID x 1020mm Long To Port 2

1шт.

10

47867183

HOSE

10mm ID x 1090mm Long To Port 3

1шт.

11

47745769

HOSE

6mm ID x 560mm Long

1шт.

12

47865688

HOSE

6mm ID x 4250mm Long Right Wing Weight Managment Cylinder

1шт.

13

86507486

CARRIAGE BOLT,M8 x 1.25 x 20mm, Cl 8.8

2шт.

14

86505868

SERRATED NUT,Hex, M8 x 1.25, Cl 8

2шт.

15

15212821

BOLT,Hex, M6 x 45mm, Cl 8.8, Full Thd

2шт.

16

86511444

FLANGE NUT,Hex, M6 x 1

2шт.

17

47773907

HYD CONNECTOR

Breather Wing Cylinder

2шт.

18

47773391

SENSOR

Pressure

1шт.

19

47525652

HYDRAULIC CYLINDER

Weight Managment

2шт.

20

87023161

HEADED PIN,1" x 3"

4шт.

21

86632592

WASHER,1.06" ID x 2" OD x 0.13" Thk

4шт.

22

87041

COTTER PIN,1/4" x 1 3/4"

4шт.

23

84300099

CARTRIDGE

Valve

1шт.

24

47448438

COIL

Solenoid

1шт.

Выбрано товаров: 24