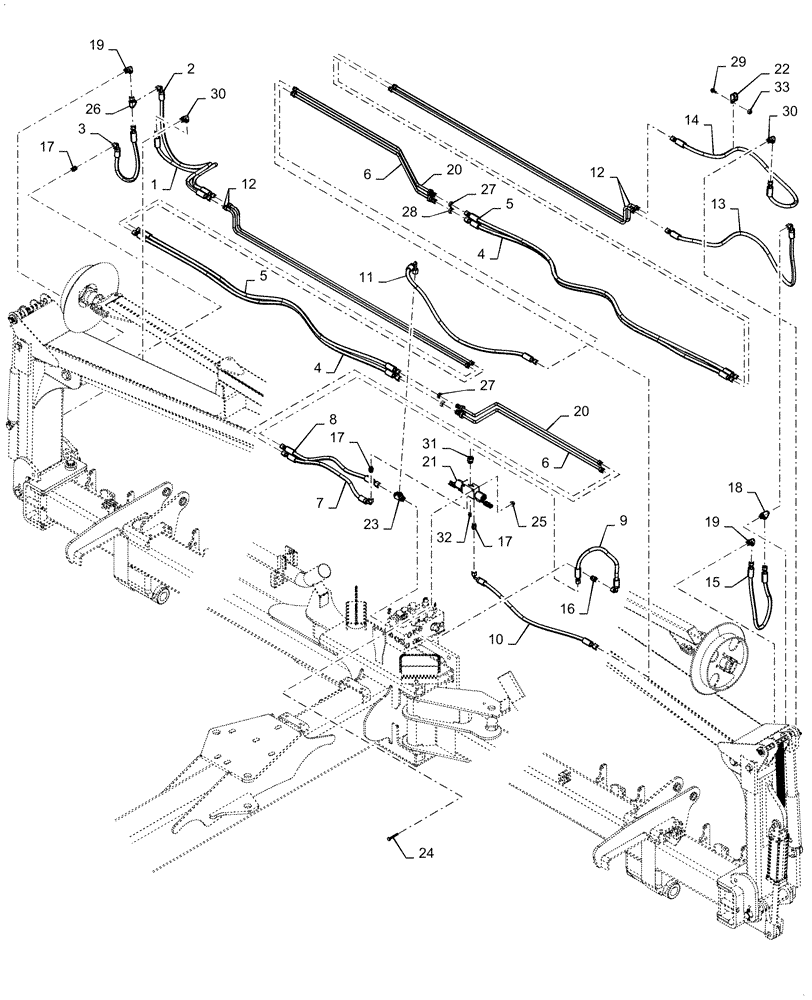
Запчасти Case IH 2150 (35.746.AC[01]) - FRONT FOLD MARKER HYDRAULICS, 16 ROW (35) - HYDRAULIC SYSTEMS

Схема запчастей Case IH 2150 - (35.746.AC[01]) - FRONT FOLD MARKER HYDRAULICS, 16 ROW (35) - HYDRAULIC SYSTEMS
33
2
23
22
8
20
7
6
18
12
4
26
12
30
4
31
29
30
11
3
27
19
25
14
17
21
6
10
24
27
20
19
1
32
5
28
5
9
16
17
17
13
15
FIT
1:1
100%

Артикул

Название

Примечание

Количество

1

47719978

HOSE

10 mm ID x 1350 mm To R Port on Lift and Fold Valve

1шт.

2

47719989

HOSE

10 mm ID x 1530 mm To Marker Valve

1шт.

3

47720019

HOSE

10 mm ID x 440 mm To Marker Cylinder

1шт.

4

47918780

HYDRAULIC HOSE

10 mm ID x 2200 mm To Marker Cylinder Base

2шт.

5

47918779

HYDRAULIC HOSE

10 mm ID x 2150 mm To Marker Cylinder Rod End

2шт.

6

47727726

TUBE

Inner Wing Lift Marker

2шт.

7

47732247

HOSE

10 mm ID x 800 mm To Port C1To Right Marker Cylinder Base End

1шт.

8

47860630

HOSE

10 mm ID x 700 mm To Marker Cylinder Rod End

1шт.

9

47732240

HOSE

10 mm ID x 575 mm Long Port V1 To Port S

1шт.

10

47732251

HOSE

10 mm ID x 890 mm Port C2 To Left Marker Cylinder Base End

1шт.

11

47732252

HOSE

10 mm ID x 1100 mm To Marker Cylinder Rod End

1шт.

12

47860598

TUBE

16 Row Outerwing Marker

4шт.

13

47732145

HOSE

10 mm ID x 1270 mm To Marker Valve

1шт.

14

47732174

HOSE

10 mm ID x 1270 mm To port R On Lift and Fold Valve

1шт.

15

47921434

HYDRAULIC HOSE

10 mm ID x 810 mm To Cylinder Top End

1шт.

16

87672176

HYD CONNECTOR

3/8" To Port S

1шт.

17

9993143

HYD CONNECTOR,11/16" - 16 ORFS x 9/16" - 18 ORB

3шт.

18

87305436

HYD CONNECTOR

Tee 3/8"

1шт.

19

84390792

90 ELBOW

3/8"

2шт.

20

47761754

TUBE

Inner Wing 13 mm OD

2шт.

21

87463248

VALVE

Marker Block

1шт.

22

47774635

CLAMP

Closed 20.63 mm

2шт.

23

84533155

RUN TEE,13/16" - 16 ORFS x 13/16" - 16 ORFS x 3/4" - 16 ORB

To Port R

1шт.

24

120070

BOLT,Hex, M10 x 1.5 x 60mm, Cl 8.8

2шт.

25

43435

FLANGE NUT,Hex, M10 x 1.5

2шт.

26

47726686

UNION TEE

Swivle 3/8"

1шт.

27

87381287

LOCK NUT

3/8" Tube

2шт.

28

87381289

BHD LOCK NUT,13/16"-16, 12mm OD

1/2" Tube

2шт.

29

9804261

BOLT,Hex, M10 x 25mm, Cl 8.8, Full Thd

2шт.

30

47779354

ELBOW

Orfice

2шт.

31

47779351

ELBOW

17 mm One Way

1шт.

32

9625178

PLUG,9/16" - 18 ORB

1шт.

33

8475948

NUT,M10 x 1.5, Cl 8

2шт.

Выбрано товаров: 33