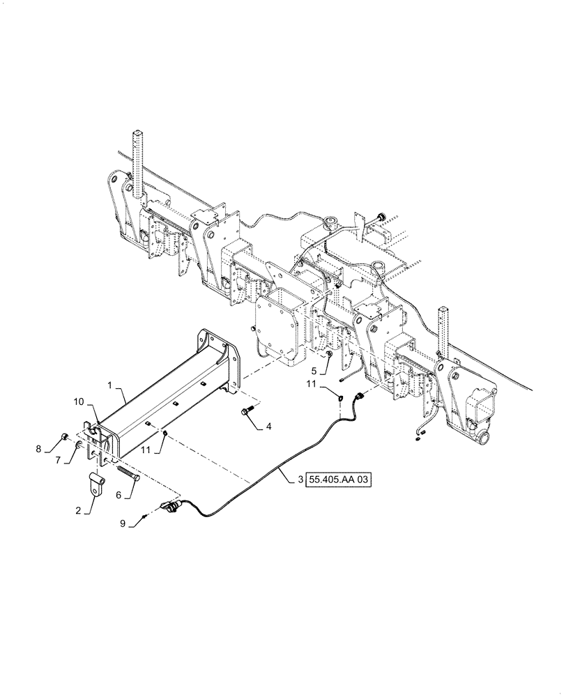
Запчасти Case IH 2150 (37.100.AF[04]) - REAR HITCH (37) - HITCHES, DRAWBARS & IMPLEMENT COUPLINGS

Схема запчастей Case IH 2150 - (37.100.AF[04]) - REAR HITCH (37) - HITCHES, DRAWBARS & IMPLEMENT COUPLINGS
55.405.aa 03
2
10
11
9
4
7
8
1
11
5
6
3
FIT
1:1
100%

Артикул

Название

Примечание

Количество

1

73368121

BEAM

Rear Hitch Red

1шт.

2

47449285

BAR

Hitch

1шт.

3

47807573

WIRE HARNESS

Rear Light Extention

1шт.

4

47506619

BOLT,M20 x 88.9mm OAL, Full Thd, Cl 10.9

8шт.

5

86512499

FLANGE NUT,M20 x 2.5, Cl 10

8шт.

6

86505748

BOLT,Hex, M24 x 3 x 160mm, Cl 10.9

1шт.

7

87036175

WASHER,1.06" ID x 2" OD x 0.22" Thk

1шт.

8

8401651

NUT,M24 x 3, Cl 10

1шт.

9

86512253

BOLT,Hex Flg, M8 x 25mm

2шт.

10

68841

NUT,M8 x 1.25, Cl 8

2шт.

11

87502038

CABLE TIE

Small

4шт.

Выбрано товаров: 11