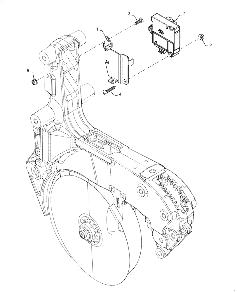
Запчасти Case IH 2150 (55.105.AA[02]) - ROW UNIT CONTROL MODULE (55) - ELECTRICAL SYSTEMS

Схема запчастей Case IH 2150 - (55.105.AA[02]) - ROW UNIT CONTROL MODULE (55) - ELECTRICAL SYSTEMS
1
4
3
2
5
5
FIT
1:1
100%

Артикул

Название

Примечание

Количество

1

47801659

SUPPORT

Module Plate

1шт.

2

47616650

MODULE

Control

1шт.

3

308761

CARRIAGE BOLT,M8 x 1.25 x 25mm, Cl 8.8

2шт.

4

86512444

CARRIAGE BOLT,M8 x 1.25 x 40mm, Full Thd, Cl 8.8

1шт.

5

86619801

FLANGE NUT,M8 x 1.25, Cl 8

3шт.

Выбрано товаров: 5