Запчасти Case IH 2150 (63.110.AB[05]) - LIQUID FERTILIZER TANK 600 GALLON (63) - CHEMICAL APPLICATORS

Схема запчастей Case IH 2150 - (63.110.AB[05]) - LIQUID FERTILIZER TANK 600 GALLON (63) - CHEMICAL APPLICATORS
2
4
9
17
10
7
13
18
12
8
3
6
15
11
14
1
5
15
16
19
4
16
5
FIT
1:1
100%

Артикул

Название

Примечание

Количество

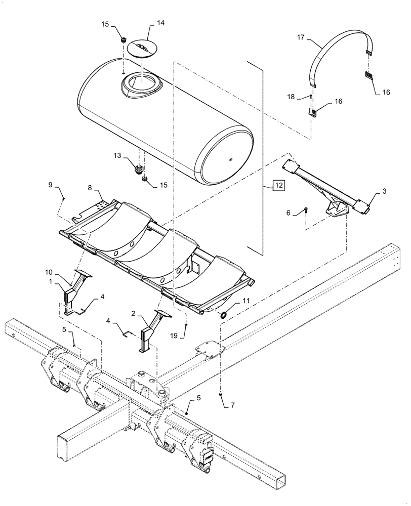
1

47789628

SUPPORT

Rear, LH, Red

1шт.

2

47789640

SUPPORT

Rear, RH, Red

1шт.

3

73368103

SUPPORT

Bulk Fill, Front, Red

1шт.

4

2643

U-BOLT

4шт.

5

86521607

FLANGE NUT,Flg, 1/2"-13, G5

8шт.

6

47506619

BOLT,M20 x 88.9mm OAL, Full Thd, Cl 10.9

3шт.

7

86512499

FLANGE NUT,M20 x 2.5, Cl 10

3шт.

8

47746433

CRADLE

Red

1шт.

9

9670066

FLANGE BOLT,Hex, M12 x 30mm, Cl 8.8

16шт.

10

9804279

FLANGE NUT,Hex, M12, Cl 8

16шт.

11

121574A1

SEAL PROTECTION

7шт.

12

87607560

TANK

600 Gal, Incl 13 - 15

1шт.

13

405789A1

FITTING

Bottom Tank Drain

1шт.

14

87628258

LID

600 Gal Fertilizer Tank

1шт.

15

406148A1

FITTING

3/4'

2шт.

16

87647049

PLATE

Strap Anchor

6шт.

17

87660684

STRAP

3шт.

18

9804265

FLANGE BOLT,Hex, M10 x 60mm, Cl 8.8

12шт.

19

9804278

FLANGE NUT,M10 x 1.5, Cl 8

12шт.

Выбрано товаров: 19