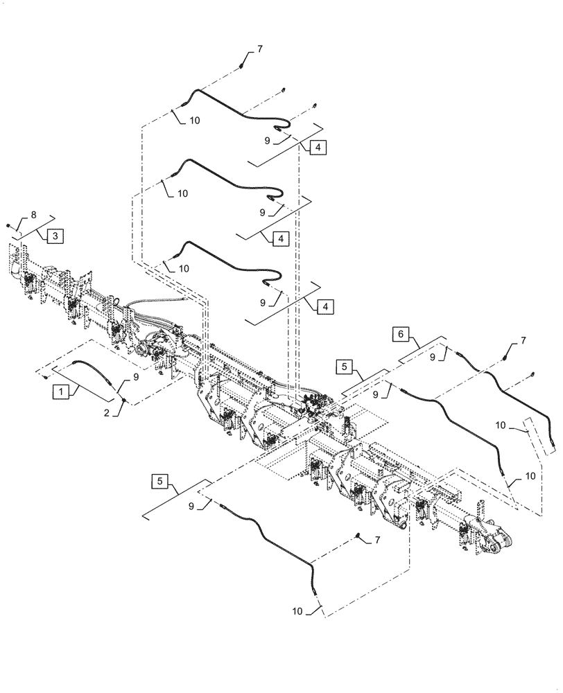
Запчасти Case IH 2150 (35.744.AD[10]) - DELTA FORCE COLLECTOR, MID / WING SECTIONS (35) - HYDRAULIC SYSTEMS

Схема запчастей Case IH 2150 - (35.744.AD[10]) - DELTA FORCE COLLECTOR, MID / WING SECTIONS (35) - HYDRAULIC SYSTEMS
4
7
6
9
9
3
9
10
7
9
10
5
10
4
4
7
9
5
2
8
10
10
9
9
10
1
FIT
1:1
100%

Артикул

Название

Примечание

Количество

1

47999950

HYDRAULIC HOSE

810mm L, Incl 9

1шт.

2

201-328

ELBOW,45 Degree Elbow, 9/16" - 18 Male ORFS x 9/16" - 18 Male ORB

1шт.

3

76349

PLUG,9/16" - 18 ORB

Incl 8

3шт.

4

47929076

HOSE

2500mm L, Incl 9, 10

3шт.

5

47929074

HOSE

2235mm L, Incl 9, 10

2шт.

6

47929073

HOSE

2270mm L, Incl 9, 10

1шт.

7

84360212

CABLE TIE,294.2mm L, Nylon

6шт.

8

9617873

O-RING,0.078" Thk x 0.468" ID, -906, Cl 6, 90 Duro

6шт.

9

9825770

O-RING,0.07" Thk x 0.301" ID, -11, Cl 6, 90 Duro

7шт.

10

9993141

O-RING,0.07" Thk x 0.364" ID, -12, Cl 6, 90 Duro

6шт.

Выбрано товаров: 0