Запчасти Case IH 2150 (35.100.BI[16]) - OUTER WING WHEEL HYDRAULIC CYLINDER (35) - HYDRAULIC SYSTEMS

Схема запчастей Case IH 2150 - (35.100.BI[16]) - OUTER WING WHEEL HYDRAULIC CYLINDER (35) - HYDRAULIC SYSTEMS
13
6
5
7
11
4
2
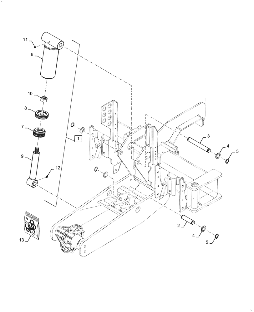
1
12
3
5
10
4
9
8
FIT
1:1
100%

Артикул

Название

Примечание

Количество

1

47755737

HYDRAULIC CYLINDER

Outer Wing Wheel Incl 6- 12

4шт.

2

84383007

PIN

31.75 x 111mm

4шт.

3

87717819

PIN

31.75 x 220.0mm

4шт.

4

86632583

WASHER,1.28" ID x 2" OD x 0.12" Thk

16шт.

5

86625148

SNAP RING,#125, Ext

16шт.

6

47952301

TUBE

Cylinder

1шт.

7

47952302

CAP

Cylinder End

1шт.

8

47952303

PISTON

Cylinder

1шт.

9

47952304

ROD

Cylinder

1шт.

10

87023139

NUT

1-1/4"

1шт.

11

80714

LUBE NIPPLE,1/4"-28 NPT x .54" lg

1шт.

12

80718

LUBE NIPPLE,1/4"-28 x 90 Degree

1шт.

13

47952305

SEAL

Kit

1шт.

Выбрано товаров: 13