Запчасти Case IH 2150 (63.110.AB[13]) - LIQUID FERTILIZER TETHER AND HARNESS (63) - CHEMICAL APPLICATORS

Схема запчастей Case IH 2150 - (63.110.AB[13]) - LIQUID FERTILIZER TETHER AND HARNESS (63) - CHEMICAL APPLICATORS
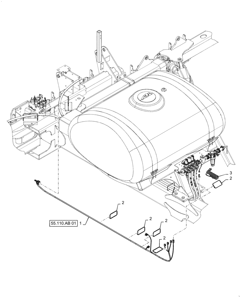
55.110.ab 01
1
3
2
2
2
2
2
FIT
1:1
100%

Артикул

Название

Примечание

Количество

1

47684496

WIRE HARNESS

Liquid Fertilizer Section

1шт.

2

87502038

CABLE TIE

10шт.

3

1983416C2

SWITCH

Remote Tether

1шт.

Выбрано товаров: 3