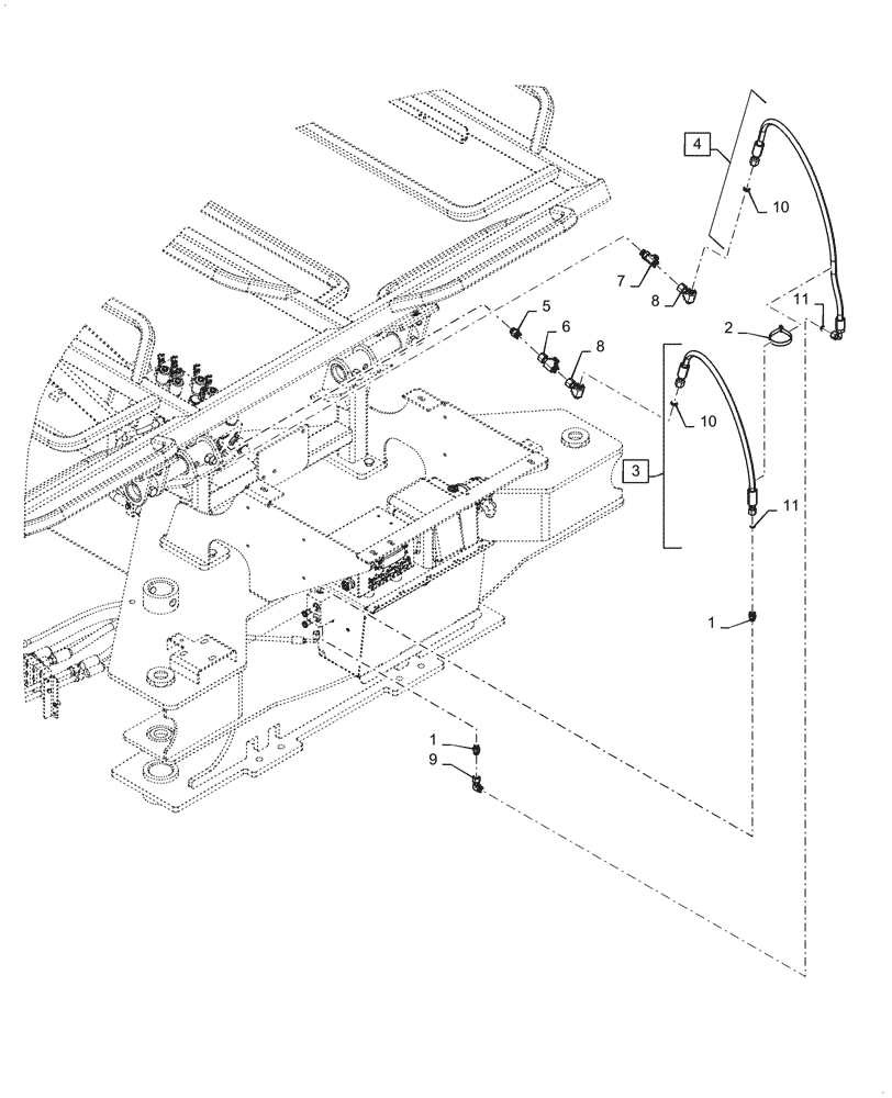
Запчасти Case IH 2160 (35.744.AD[01]) - ROW UNIT HYDRAULIC LIFT (35) - HYDRAULIC SYSTEMS

Схема запчастей Case IH 2160 - (35.744.AD[01]) - ROW UNIT HYDRAULIC LIFT (35) - HYDRAULIC SYSTEMS
10
4
3
9
1
6
5
2
8
11
11
7
1
8
10
FIT
1:1
100%

Артикул

Название

Примечание

Количество

1

47974255

FITTING

Orifice, 0.76mm

2шт.

2

84360212

CABLE TIE,294.2mm L, Nylon

2шт.

3

48014351

HYDRAULIC HOSE

1020mm L, Incl 10, 11

1шт.

4

48014352

HYDRAULIC HOSE

1320mm L, Incl 10, 11

1шт.

5

84544770

FITTING

Swivel

1шт.

6

86624132

TEE,13/16" - 16 JIC x 13/16" - 16 ORFS x 13/16" - 16 ORFS

1шт.

7

84533155

RUN TEE,13/16" - 16 ORFS x 13/16" - 16 ORFS x 3/4" - 16 ORB

1шт.

8

84431325

TEE,13/16"-16 ORFS x 13/16"-16 Fem Sw Br

2шт.

9

201-319

ELBOW,90 Degree Elbow, 11/16" - 16 Male ORFS x 11/16" - 16 Female ORFS

1шт.

10

9992298

O-RING,0.07" Thk x 0.489" ID, -14, Cl 6, 90 Duro

2шт.

11

9993141

O-RING,0.07" Thk x 0.364" ID, -12, Cl 6, 90 Duro

2шт.

Выбрано товаров: 11