Запчасти Case IH 2160 (35.748.AG[04]) - HYDRAULIC TRACK TENSIONING VALVE (35) - HYDRAULIC SYSTEMS

Схема запчастей Case IH 2160 - (35.748.AG[04]) - HYDRAULIC TRACK TENSIONING VALVE (35) - HYDRAULIC SYSTEMS
1
8
6
7
5
3
2
9
4
2
FIT
1:1
100%

Артикул

Название

Примечание

Количество

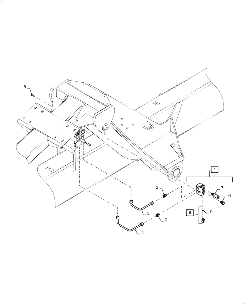
1

47812147

HYDRAULIC VALVE

Track Tensioning, Incl 6 - 9

1шт.

2

9992342

HYD CONNECTOR,13/16" - 16 ORFS x 9/16" - 18 ORB

2шт.

3

47955275

TUBE

Track Tensioning Return

1шт.

4

47955277

TUBE

Track Tensioning Pressure

1шт.

5

9671714

FLANGE BOLT,Hex, M8 x 1.25 x 25mm, Cl 8.8

2шт.

6

48057660

HYDRAULIC VALVE

Cartridge, Check

1шт.

7

48057661

HYDRAULIC VALVE

Cartridge, Relief

1шт.

8

86502603

COUPLING

Diagnostic

1шт.

9

165202

O-RING,0.072" Thk x 0.351" ID, -904, Cl 6, 90 Duro

1шт.

Выбрано товаров: 0