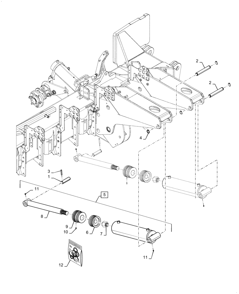
Запчасти Case IH 2160 (35.944.AC[01]) - WING WHEEL CYLINDERS (35) - HYDRAULIC SYSTEMS

Схема запчастей Case IH 2160 - (35.944.AC[01]) - WING WHEEL CYLINDERS (35) - HYDRAULIC SYSTEMS
6
12
2
7
11
2
1
10
9
8
11
5
3
4
FIT
1:1
100%

Артикул

Название

Примечание

Количество

1

87687202

PIN

31.75mm x120mm

2шт.

2

87695471

PIN

31.75mm x 194.7mm

2шт.

3

9638

ROLL PIN

.375mm x 2.5mm

2шт.

4

6570

SNAP RING

1.15mm ID

4шт.

5

87671036

HYDRAULIC CYLINDER,Double Acting, 57.15mm Rod, 456.95mm Stroke

Incl, 6 - 12

2шт.

6

84147396

PISTON

1шт.

7

84151721

NUT

1шт.

8

84147397

PISTON ROD

1шт.

9

84147398

HEAD

1шт.

10

87447795

INSERT

2шт.

11

219-87

LUBE NIPPLE,1/4" - 28 NPTF

2шт.

12

84147399

SEAL KIT

1шт.

Выбрано товаров: 12