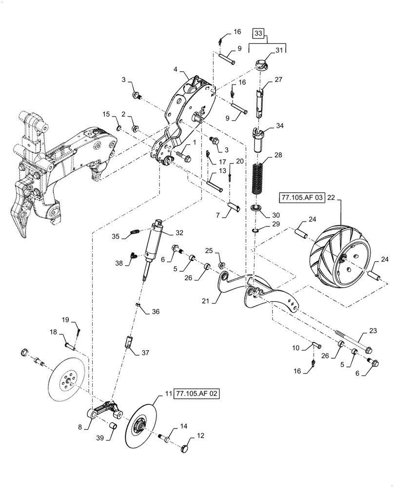
Запчасти Case IH 2160 (77.105.AF[04]) - CLOSING LEADING AIR (77) - SEEDING/PLANTING

Схема запчастей Case IH 2160 - (77.105.AF[04]) - CLOSING LEADING AIR (77) - SEEDING/PLANTING
77.105.af 03
28
16
36
18
34
8
3
24
16
38
16
9
23
9
21
3
26
5
13
30
19
25
27
32
39
6
35
1
26
4
24
17
14
2
11
12
5
10
22
15
33
31
20
7
37
29
6
77.105.af 02
FIT
1:1
100%

Артикул

Название

Примечание

Количество

1

47410091

M16 x 70mm

BOLT

1шт.

2

87016581

FLANGE NUT,M16 x 2, CI 10

1шт.

3

47715974

BOLT

m16 x 30 mm

2шт.

4

47803073

BRACKET

Closing Mount Red

1шт.

5

47434057

BUSHING

Link Pivot

2шт.

6

47714037

BOLT

M16 x 45 mm

2шт.

7

47703784

PIN

Headless

1шт.

8

47907265

ARM

Closing Disc Left Leading

1шт.

8

47907266

ARM

Closing Disc Right Leading

1шт.

9

86624063

HEADED PIN,1/2" x 3 3/4"

2шт.

10

84158480

HEADED PIN

1/2 x 1-3/4"

1шт.

11

47743000

DISC

9" Covering

2шт.

12

324180A1

BEARING CAP,35.2 mm OD x 7.62 mm

2шт.

13

87024777

CLEVIS PIN,9.53mm OD x 60.45mm L

1шт.

14

47800602

BOLT,BOLT, M16X45 FULL 10.9 ZND

Lock

2шт.

15

87657977

WASHER,0.78" ID x 1.12" OD x 0.06" Thk

1шт.

16

47748003

CLIP

Locking

3шт.

17

47839153

CLIP

Locking

1шт.

18

47906512

PIN

1/2 x 2"

1шт.

19

87397

COTTER PIN,3/16" OD x 1" L

1шт.

20

87398

COTTER PIN,3/16" OD x 1-1/4" OAL

1шт.

21

47792749

ARM

Press Wheel Red

1шт.

22

87610678

WHEEL,304.8mm OD x 165.1mm W

1шт.

23

84224897

FLANGE BOLT,Hex, M16 x 225mm, Cl 10.9

1шт.

24

47624570

SPACER

Press Wheel

2шт.

25

87016581

FLANGE NUT,M16 x 2, CI 10

1шт.

26

47901390

BUSHING

Polylube

2шт.

27

47830795

BRACKET

Lower Spring

1шт.

28

87019495

SNAP RING,#98, Ext

Compession Wheel Spring Incl in 33

1шт.

29

NSS

NOT SOLD SEPARAT

Snap Ring Incl in 33

1шт.

30

47585345

WASHER

1шт.

31

87462571

DUST CAP

1шт.

32

47945764

PNEUMATIC VALVE

Cylinder Lift

1шт.

33

47800100

SPRING

Incl 27-31, 34

1шт.

34

NSS

NOT SOLD SEPARAT

Collar Incl in 33

1шт.

35

47988577

FITTING

1шт.

36

47715978

NUT

Jam

1шт.

37

47734906

CLEVIS

Air Closing

1шт.

38

47988578

ELBOW

90°

1шт.

39

47945217

BUSHING

Arm

1шт.

Выбрано товаров: 0