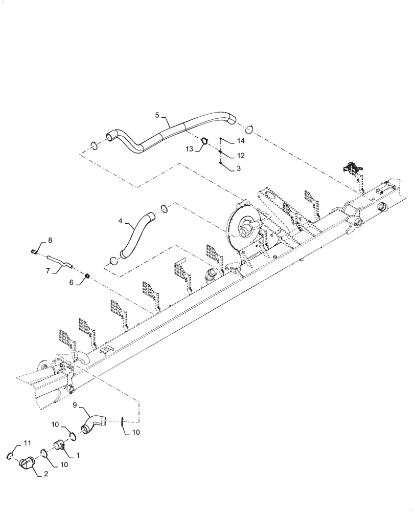
Запчасти Case IH 2160 (79.105.AD[13]) - VACUUM DELIVERY LEFT WING 36 ROW (79) - PLANTING

Схема запчастей Case IH 2160 - (79.105.AD[13]) - VACUUM DELIVERY LEFT WING 36 ROW (79) - PLANTING
11
2
4
9
10
10
8
6
3
5
12
14
13
10
7
1
FIT
1:1
100%

Артикул

Название

Примечание

Количество

1

48004516

SUPPORT

Vacuum Tube, Red

1шт.

2

48004517

ELBOW

90°, 4" to 5"

1шт.

3

9804277

FLANGE NUT,Hex, M8 x 1.25, Cl 8

5шт.

4

48059371

HOSE

Bulk, 5" ID, Cut to Length 760mm L

1шт.

5

48059371

HOSE

Bulk, 5" ID, Cut to Length 2845mm L

1шт.

6

47663508

HYD CONNECTOR

15шт.

7

47967589

HOSE

Bulk, 1.25" ID, Cut to Length 585mm L

15шт.

8

47664630

HYD CONNECTOR

15шт.

9

48059371

HOSE

Bulk, 5" ID, Cut to Length 470mm L

1шт.

10

84492992

HOSE CLAMP,5.12" - 6"

7шт.

11

9706924

HOSE CLAMP,103.1mm - 127mm

1шт.

12

84474186

BASE

3шт.

13

1017248

STRAP

3шт.

14

9804258

BOLT,Hex, M8 x 1.25 x 20mm, Cl 8.8

5шт.

Выбрано товаров: 14