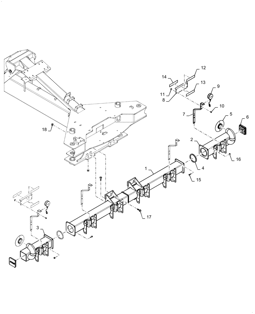
Запчасти Case IH 2160 (39.902.AB[12]) - FRAME CENTER SECTION, 36 ROW (39) - FRAMES AND BALLASTING

Схема запчастей Case IH 2160 - (39.902.AB[12]) - FRAME CENTER SECTION, 36 ROW (39) - FRAMES AND BALLASTING
3
10
5
18
9
14
1
13
6
7
8
16
2
12
17
4
11
15
FIT
1:1
100%

Артикул

Название

Примечание

Количество

1

47867324

FRAME

Rear Sub Bar

1шт.

2

48004503

FRAME

RH Sub Bar

1шт.

3

48004506

FRAME

LH Sub Bar

1шт.

4

47927876

GASKET

Sub Bar Extension

2шт.

5

47927860

SEAL

2шт.

6

73368118

PLUG

2шт.

7

47927879

BRACKET

Warning Light

4шт.

8

84145644

BRACKET

Reflector Mount

2шт.

9

432622A1

WARNING LIGHT

2шт.

10

9804261

BOLT,Hex, M10 x 25mm, Cl 8.8, Full Thd

4шт.

11

9804278

FLANGE NUT,M10 x 1.5, Cl 8

4шт.

12

311865A1

REFLECTOR

Orange

2шт.

13

311863A1

REFLECTOR

Red

2шт.

14

86547782

REFLECTOR,YELLOW

2шт.

15

87672196

FLANGE BOLT,Hex, M12 x 45mm, Cl 10.9

8шт.

16

86619803

FLANGE NUT

8шт.

17

47506619

BOLT,M20 x 88.9mm OAL, Full Thd, Cl 10.9

8шт.

18

84246762

NUT

8шт.

Выбрано товаров: 18