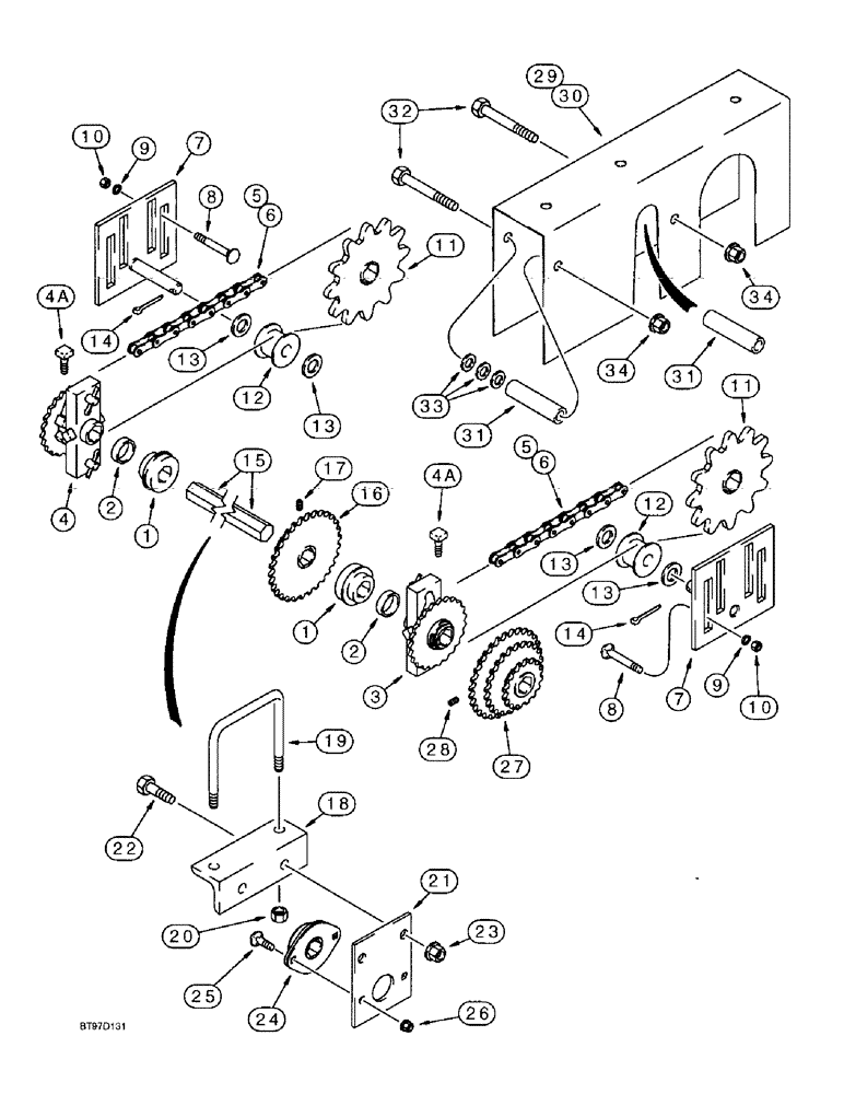
Запчасти Case IH 6100 (9-16) - LIQUID AND DRY FERTILIZER DRIVE (09) - CHASSIS/ATTACHMENTS

Схема запчастей Case IH 6100 - (9-16) - LIQUID AND DRY FERTILIZER DRIVE (09) - CHASSIS/ATTACHMENTS
25
1
11
14
10
4
4a
32
18
13
14
23
8
2
30
5
12
4a
20
31
13
7
28
13
2
26
21
11
1
6
9
15
13
6
24
9
3
8
19
34
16
33
22
29
10
31
17
5
27
7
12
34
FIT
1:1
100%

Артикул

Название

Примечание

Количество

1

134181C92

BALL BEARING,2.125" OD x 0.046"

- ball, primary drive

2шт.

2

1277812C2

SPACER

- sprocket, 27 x 33 x 9 mm, drive shaft

2шт.

3

1277925C92

RATCHET

SPROCKET ASSEMBLY - left-hand drive ratchet, 23 teeth, parts list page 9-17B

1шт.

4

1277926C92

RATCHET

SPROCKET ASSEMBLY - right-hand drive ratchet, 23 teeth, parts list page 9-17B

1шт.

4a

485-15012

SET SCREW,Sq Hd, 1/2"-13 x 3/4"

SCREW - set, square head, 1/2 NC x 3/4 inch, cup point

2шт.

5

1277739C91

CHAIN (AG)

CHAIN - primary wheel drive, No. 2050, use 45 links from 569089R91 bulk chain and (1) 1277928C91 connecting link, primary wheel drive, see below

2шт.

6

1277928C91

LINK

- chain connecting, primary wheel drive chain, No. 2050

1-2шт.

7

193948A1

IDLER

PLATE - wheel drive idler

2шт.

8

433-848

CARRIAGE BOLT,Sq Nk, 1/2" - 13 x 3", Gr 5

BOLT - carriage, 1/2 NC x 3 inch

4шт.

9

80679

LOCK WASHER,1/20.507 CST ZND

WASHER, LOCK, 1/2"

4шт.

10

425-108

NUT,1/2" - 13, Gr 5

NUT, , Hex 1/2"-13, G5

4шт.

11

1277736C1

SPROCKET

- drive wheel, 12 teeth

2шт.

12

1277726C1

ROLLER,48mm OD x 34mm L

- idler, drive chain

2шт.

13

495-81178

WASHER,21/32" x 1 1/8" x .048"

- flat, 21/32 x 1-1/8 x 3/64 inch

4шт.

14

432-1216

COTTER PIN,3/16" x 1"

2шт.

15

229631A1

SHAFT

- drive, hex, 22 (7/8) x 4120 mm (162-1/4 inch) long, liquid and dry fertilizer drive, 6 and 8 row

1шт.

16

233117A1

SPROCKET ASSY.

SPROCKET - drive, 30 teeth, liquid fertilizer piston pump drive

1шт.

17

483-1508

SET SCREW,Hex Soc, 1/2"-13 x 1/2"

SCREW - set, hex socket headless, 1/2 NC x 1/2 inch, cup point

2шт.

18

228059A1

ANGLE

- bearing mounting

2шт.

19

228130A1

U-BOLT,1/2" - 13 x 7", Carbon Steel

- 1/2 inch NC, 4 x 6 inch, angle mounting

2шт.

20

425-108

NUT,1/2" - 13, Gr 5

NUT, , Hex 1/2"-13, G5

4шт.

21

1254171C1

PLATE

- bearing support

2шт.

22

413-824

BOLT,Hex, 1/2" - 13 x 1-1/2", Gr 5

4шт.

23

231-5148

FLANGE NUT,Flg, USR, 1/2"-13

4шт.

24

134158C92

BALL BEARING,22.5mm ID

- ball, hex, sealed, 7/8 inch

2шт.

25

434-512

CARRIAGE BOLT,Sht Sq Nk, 5/16" - 18 x 3/4", Gr 5

BOLT, CARRIAGE, Short NK, 5/16"-18 x 3/4", G5, Full Thd

4шт.

26

231-5145

SERRATED NUT,Flg, USR, 5/16"-18

NUT, Flg, USR, 5/16"-18

4шт.

27

135377A1

SPROCKET ASSY.

SPROCKET - triple, 16, 24 and 30 teeth, dry fertilizer transmission drive

2шт.

28

483-1508

SET SCREW,Hex Soc, 1/2"-13 x 1/2"

SCREW - set, hex socket headless, 1/2 NC x 1/2 inch, cup point

4шт.

29

147234C2

SUPPORT

GUARD - chain, right-hand

1шт.

30

147233C2

SUPPORT

GUARD - chain, left-hand, not shown

1шт.

31

147232C1

SPACER

- chain guard

4шт.

32

413-896

BOLT,Hex, 1/2" - 13 x 6", Gr 5

- hex, 1/2 NC x 6 inch

4шт.

33

495-11053

WASHER,1/2", SAE

(17/32" x 1-1/16" x 3/32") 1/2", SAE

6шт.

34

231-5148

FLANGE NUT,Flg, USR, 1/2"-13

4шт.

569089R91

CHAIN (AG),10' L, 1.0" Pitch

CHAIN - bulk roll, 10 foot long, No. 2050, 10 foot roll

1шт.

Выбрано товаров: 36