Запчасти Case IH 6100 (4-2) - LIGHTING SYSTEM (04) - ELECTRICAL SYSTEMS

Схема запчастей Case IH 6100 - (4-2) - LIGHTING SYSTEM (04) - ELECTRICAL SYSTEMS
22
27
10
24
3
5
27
1
19
6
7
17
12
17
14
29
21
20
8
18
3
19
1
25
18
23
6
15
3
9
13
3
7
19
28
19
4
11
5
20
16
26
4
2
FIT
1:1
100%

Артикул

Название

Примечание

Количество

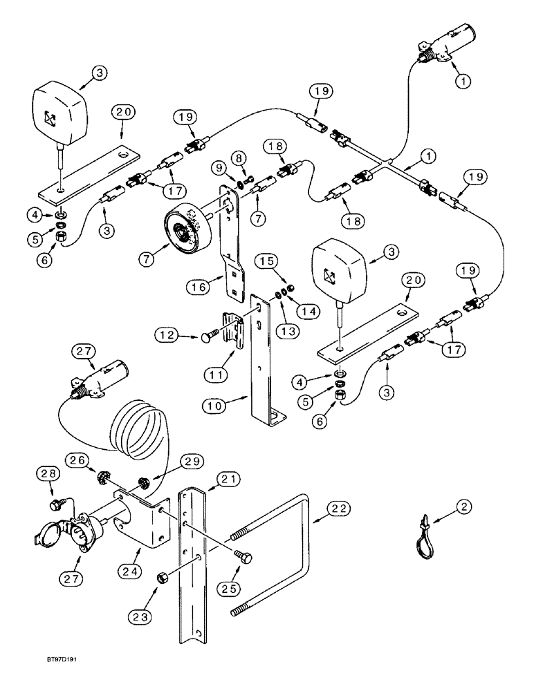
1

92091C2

HARNESS

- main

1шт.

2

386170C1

CABLE TIE,.30" x 27 1/2"

STRAP - tie

12шт.

3

91913C91

LIGHT

LAMP ASSEMBLY - turn signal, parts list page 4-5

2шт.

4

495-11053

WASHER,1/2", SAE

(17/32" x 1-1/16" x 3/32") 1/2", SAE

2шт.

5

80679

LOCK WASHER,1/20.507 CST ZND

WASHER, LOCK, 1/2"

2шт.

6

425-118

NUT,1/2"-20, G5

- hex, 1/2 inch NF

2шт.

7

91986C91

LIGHT

LAMP ASSEMBLY - tail, parts list page 4-5

1шт.

8

261-14512

SELF-TAP SCREW,Cross Pan Hd, #10 x 3/4"

SCREW - self-tapping, pan Phillips, No. 10 NC x 3/4 inch

2шт.

10

131946C1

SUPPORT

BRACKET - mounting, emblem

1шт.

11

A59457

BRACKET

- mounting

1шт.

12

434-512

CARRIAGE BOLT,Sht Sq Nk, 5/16" - 18 x 3/4", Gr 5

BOLT, CARRIAGE, Short NK, 5/16"-18 x 3/4", G5, Full Thd

2шт.

13

495-81114

WASHER,8.74mm ID x 19.05mm OD x 1.7mm Thk

- flat, 11/32 x 3/4 x 1/16 inch

2шт.

14

492-11031

LOCK WASHER,5/16"

WASHER, LOCK, 5/16"

2шт.

15

425-105

NUT,5/16"-18, G5

2шт.

16

1978653C1

SUPPORT

BRACKET - lamp mounting

1шт.

17

92098C1

HARNESS

- lamp, turn signal lamp (5050 mm)

2шт.

18

92094C1

HARNESS

- tail lamp (1000 mm)

1шт.

19

92095C1

HARNESS

- lamp, turn signal lamp (2250 mm)

2шт.

20

131627C1

SUPPORT

BRACKET - mounting, turn signal lamp

2шт.

9

493-81000

LOCK WASHER,Ext-Int Tooth, #10

WASHER, LOCK, (3/16") Ext-Int Tooth, #10

2шт.

21

231421A1

BRACKET

- mounting, coupler and extension harness

1шт.

22

142372A1

U-BOLT

- 3/8 inch NC, 7 x 8 inch

1шт.

23

425-106

NUT,3/8"-16, Cl 5

2шт.

24

102590A1

SUPPORT ASSY.

SUPPORT - auxiliary outlet

1шт.

25

413-516

BOLT,Hex, 5/16" - 18 x 1", Gr 5

2шт.

26

231-5146

FLANGE NUT,3/8"-16

2шт.

27

255316A1

HARNESS

- extension, cart lamp

1шт.

28

409-7512

BOLT,Hex Flg, 5/16" - 18 x 3/4", Spcl

Hex Flg, 5/16-18 x 3/4", Serr

2шт.

29

231-5145

SERRATED NUT,Flg, USR, 5/16"-18

NUT, Flg, USR, 5/16"-18

2шт.

Выбрано товаров: 29