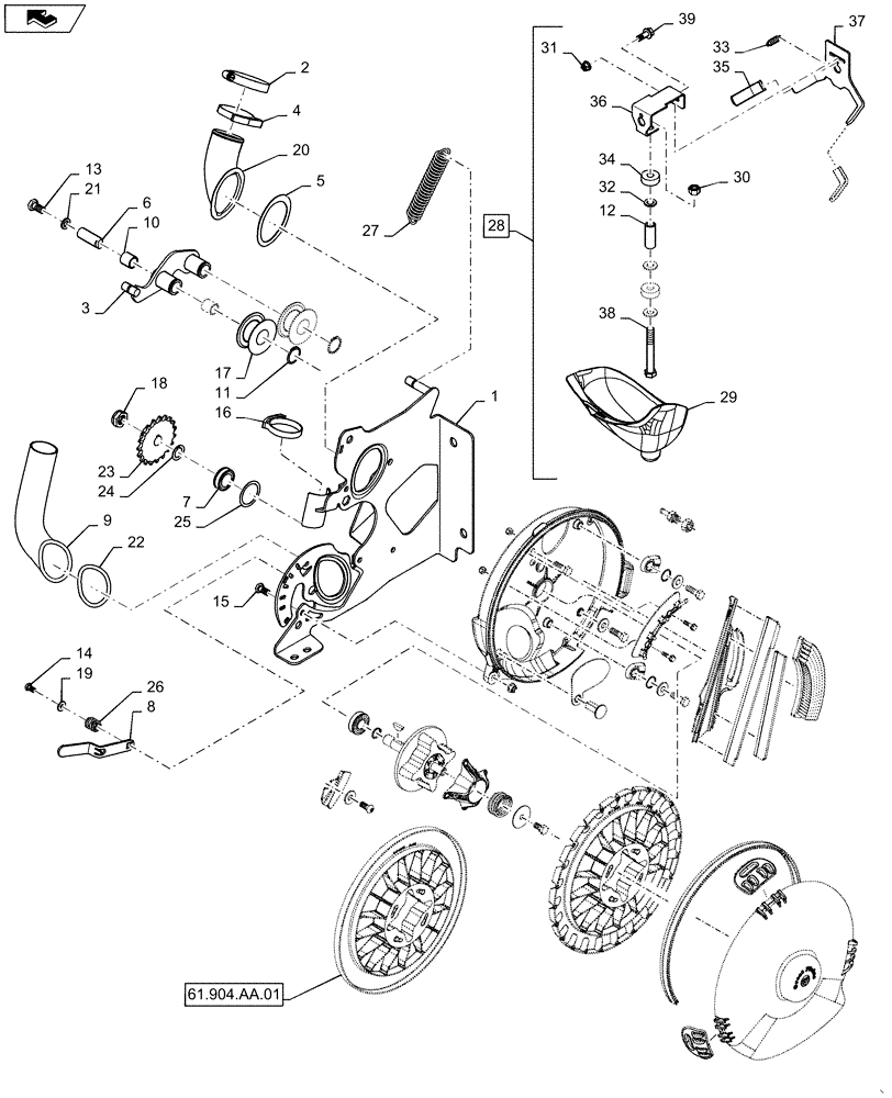
Запчасти Case IH 825 (61.904.AA[01]) - AIR METER ASSEMBLY (61) - METERING SYSTEM

Схема запчастей Case IH 825 - (61.904.AA[01]) - AIR METER ASSEMBLY (61) - METERING SYSTEM
61.904.aa.01
32
17
13
27
8
18
9
26
2
7
11
3
34
33
5
35
14
37
20
38
1
24
19
4
39
16
23
36
home
29
31
25
28
21
6
30
22
10
12
15
FIT
1:1
100%

Артикул

Название

Примечание

Количество

1

73357552

MOUNT

AIR METER

1шт.

2

87487829

CLAMP,1.56" - 2.5"

USED WITH AIR HOSE

1шт.

3

73357525

IDLER

1шт.

4

73357828

CLAMP

USED AS A BRACE

1шт.

5

73358226

GASKET

OVAL, AIR IN

1шт.

6

73358232

PIVOT

IDLER

1шт.

7

700717598

BALL BEARING,15.88mm ID x 34.92mm OD x 11mm W

1шт.

8

73357559

HANDLE

SHUTTER

1шт.

9

73358060

ELBOW

AIR METER SEED INLET

1шт.

10

73358041

BUSHING

1шт.

11

87348940

SNAP RING

2шт.

12

73357177

SPACER

FERTILIZER TINE

1шт.

13

88434

BOLT,Hex, 3/8" - 16 x 3/4", Gr 5

1шт.

14

80280641

BOLT,Hex, 1/4" - 20 x 5/8", Gr 5, Full Thd

1шт.

15

9635884

BOLT,Hex, 5/16" - 18 1", Full Thd, Gr 5

1шт.

16

73357826

HOSE CLAMP

1шт.

17

73358058

SPOOL

IDLER

2шт.

18

83991073

NUT,5/8"-18

1шт.

19

87361

WASHER,0.28" ID x 0.62" OD x 0.07" Thk

1шт.

20

73358039

ELBOW

1шт.

21

80680

LOCK WASHER,3/8 0.381 CST ZND

1шт.

22

73358227

GASKET

OVAL, SEED IN

1шт.

23

73357877

SPROCKET

41B19 X 5/8 BORE W/KEYWAY

1шт.

24

73358625

WASHER

W/KEYHOLE

1шт.

25

73358642

WAVE WASHER

1шт.

26

73357856

SPRING

COMPRESSION

1шт.

27

73357852

SPRING

EXTENSION

1шт.

28

73357563

BRACKET

ASSEMBLY, Incl 12, 29 - 39

1шт.

29

73358048

FUNNEL

AIR METER CLEAN OUT

1шт.

30

87530607

NUT

1шт.

31

247780

SERRATED NUT,Flg, USR, 3/8"-16

1шт.

32

87364

WASHER,0.53" ID x 1.06" OD x 0.1" Thk

2шт.

33

73358792

SPRING

1шт.

34

73358637

WASHER

2шт.

35

73358012

HANDLE

1шт.

36

73358787

BRACKET

CLEANOUT FUNNEL BRACKET

1шт.

37

73358788

BRACKET

CLEANOUT FUNNEL BRACKET LATCH

1шт.

38

86505993

BOLT,Hex, 1/2" - 13 x 4", Gr 5

1шт.

39

73358406

SCREW

1шт.

Выбрано товаров: 39