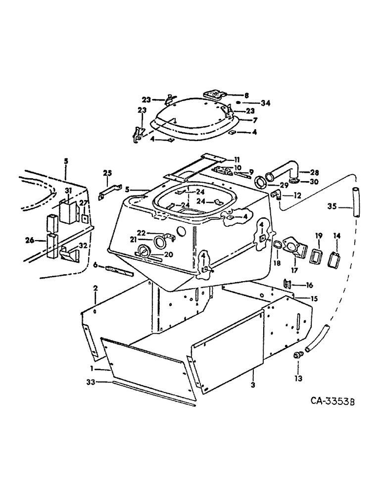
Запчасти Case IH 92 (D-11) - SEED HOPPER AND MOUNTING

Схема запчастей Case IH 92 - (D-11) - SEED HOPPER AND MOUNTING
20
23
7
29
19
21
1
16
11
26
4
4
22
12
35
24
2
24
4
9
10
15
28
32
13
30
24
34
4
25
6
5
33
3
17
31
18
14
27
8
23
4
5
23
FIT
1:1
100%

Артикул

Название

Примечание

Количество

1

58192C1

PANEL, support plate front

1шт.

172480

SCREW,Hex, 3/8" - 16 x 5/8"

3/8-16 x 5/8 type D hex-hd tap.

4шт.

138489

LOCK WASHER,Ext Tooth, 3/8"

WASHER, LOCK, Ext Tooth, 3/8"

4шт.

20803R1

WASHER

.406 x 1 x .105 znd

2шт.

2

57370C4

SUPPORT w/PRODUCT GRAPHIC, 113484C2, hopper & blower RH

1шт.

3

100010C4

SUPPORT, hopper & blower LH

1шт.

18778R1

SCREW,Hex, 3/8"-16 x 3/4", G2

BOLT, 3/8 x 3/4 znd hex-hd mach

8шт.

18495R1

BOLT,Hex, 3/8" - 16 x 1 1/4", Gr 2

3/8 x 1-1/4 znd hex-hd mach

4шт.

614452R1

WASHER

13/32 x 1-1/4 x 11 ga C-Z

8шт.

120382

LOCK WASHER,Helical Spring, 3/8"

WASHER, LOCK, 3/8"

12шт.

120377

NUT,3/8" - 16, Gr 5

12шт.

4

547692R1

PAD

seed hopper and lid latch

9шт.

180175

BOLT,Hex, 1/2" - 13 x 1 1/4", Gr 5

SCREW, 1/2-13 x 1-1/4 znd hex-hd cap

4шт.

120384

WASHER,1/2"

LOCK, 1/2"

4шт.

21375R1

WASHER

.531 x 1.25 x .164 znd

4шт.

120378

NUT,Hex, 1/2" - 13, Gr 5

NUT, 1/2"-13, G5

4шт.

5

60216C92

HOPPER ASSY, seed, 4 and 6 row, 1979 and below

1шт.

5

60217C92

HOPPER ASSY, seed, 8 row, 4 & 6 row 1980 and above

1шт.

100433C1

BUMPER, flange plug, used to plug unused holes in seed hopper

2шт.

6

57731C91

WINDOW

ASSY, seed hopper

1шт.

7

548626R1

LID

w/PRODUCT GRAPHIC, 113483C2, hopper

1шт.

619855R1

WASHER

11/32 x 3/4 x 16 ga C-Z

3шт.

8

546325R1

HINGE

hopper lid

1шт.

18474R1

BOLT,Hex, 5/16" - 18 x 1", Gr 2

5/16 x 1 znd hex-hd mach

3шт.

80681

LOCK WASHER,5/16"

WASHER, LOCK, 5/16"

3шт.

120376

NUT,5/16"-18, G5

3шт.

9

547276R1

PIN

pivot lid

1шт.

178373R1

WASHER

17/32 x 1 x 16 ga C-Z

1шт.

455516

COTTER PIN,3/16" x 3/4"

3/16" x 3/4"

2шт.

10

546327R1

PIVOT

lid

1шт.

17351R1

CARRIAGE BOLT,Short Sq Nk, 3/8" - 16 x 1", Gr 2

BOLT, 3/8 x 1 znd sq-nk crg

3шт.

120382

LOCK WASHER,Helical Spring, 3/8"

WASHER, LOCK, 3/8"

3шт.

120377

NUT,3/8" - 16, Gr 5

3шт.

11

546328R1

GUARD ASSY, hopper

1шт.

18778R1

SCREW,Hex, 3/8"-16 x 3/4", G2

BOLT, 3/8 x 3/4 type 1

2шт.

619855R1

WASHER

.344 x .750 x .054

2шт.

120382

LOCK WASHER,Helical Spring, 3/8"

WASHER, LOCK, 3/8"

2шт.

120377

NUT,3/8" - 16, Gr 5

2шт.

12

547464R1

ELBOW

FITTING, 90 deg elbow, 4 and 6 row, 1979 and below

1шт.

150450H1

LOCK NUT

NUT, 1 in. pipe lock

2шт.

608700R1

WASHER

1-9/32 x 2 x 16 ga C-Z

2шт.

13

547465R1

FITTING, straight hose shank, 4 and 6 row, 1979 and below

1шт.

608700R1

WASHER

1-9/32 x 2 x 16 ga C-Z

2шт.

150450H1

LOCK NUT

NUT, 1 in. pipe lock

2шт.

14

57730C1

CLAMP

seal

1шт.

15

113164C91

PLATE w/PRODUCT GRAPHIC, 61907C1 & 819809C2 rear, 4 and 6 row

1шт.

15

113165C91

SUPPORT

PLATE w/PRODUCT GRAPHIC, 61907C1 & 819809C2 rear, 8 row

1шт.

18494R1

BOLT,Hex, 3/8" - 16 x 1", Gr 2

3/8 x 3/4 znd hex-hd mach

4шт.

120382

LOCK WASHER,Helical Spring, 3/8"

WASHER, LOCK, 3/8"

4шт.

120377

NUT,3/8" - 16, Gr 5

4шт.

16

398976R1

BRACKET

SOCKET, slow moving vehicle emblem mounting

1шт.

16897R1

CARRIAGE BOLT,Short Nk, 5/16" - 18 x 3/4", Gr 2, Full Thd

BOLT, 5/16 x 3/4 znd sq-nk crg

2шт.

80681

LOCK WASHER,5/16"

WASHER, LOCK, 5/16"

2шт.

120376

NUT,5/16"-18, G5

2шт.

17

546348R3

COUPLING

seed tube

1шт.

18474R1

BOLT,Hex, 5/16" - 18 x 1", Gr 2

5/16 x 1 znd hex-hd mach

2шт.

86511938

SCREW,Pan, 5/16" - 18 x 3/4"

5/16-18 x 3/4 znp slt-pan head mach

1шт.

619855R1

WASHER

11/32 x 3/4 x 16 ga C-Z

2шт.

938017R1

FLANGE NUT,Flg, USR, 5/16"-18

5/16-18 znd hex. flange lock

3шт.

18

60218C1

GASKET

coupling

1шт.

19

57395C1

SEAL

tube upper

1шт.

20

149128C91

GAUGE

w/CLAMP, air pressure, replaces 149129C1

1шт.

120614

NUT,Hex, #10 - 32

NUT, #10-32

2шт.

120217

LOCK WASHER,#10

WASHER, LOCK, #10

2шт.

21

546988R1

GASKET

air gauge

1шт.

22

BRACKET, gauge, order 148128C91

1шт.

23

549768R1

LATCH

lid

3шт.

24

548622R1

CLIP

locking

3шт.

16897R1

CARRIAGE BOLT,Short Nk, 5/16" - 18 x 3/4", Gr 2, Full Thd

BOLT, 5/16 x 3/4 znd sq-nk crg

6шт.

80681

LOCK WASHER,5/16"

WASHER, LOCK, 5/16"

6шт.

120376

NUT,5/16"-18, G5

6шт.

25

58281C1

HANDLE, assist

1шт.

547692R1

PAD

assist handle

2шт.

180175

BOLT,Hex, 1/2" - 13 x 1 1/4", Gr 5

SCREW, 1/2-13 x 1-1/4 znd hex-hd cap

2шт.

21375R1

WASHER

1.250 x .531 x .164 znd

2шт.

120384

WASHER,1/2"

LOCK, 1/2"

2шт.

120378

NUT,Hex, 1/2" - 13, Gr 5

NUT, 1/2"-13, G5

2шт.

26

57399C1

TUBE

air, 8 row, 4 & 6 row 1980 and above

1шт.

27

57560C1

CLAMP

air tube, 8 row, 4 & 6 row 1980 and above

1шт.

440-13110

SCREW,Cross Pan Hd, 5/16"-18 x 5/8"

5/16 x 5/8 znp p/hds mach

1шт.

120393

BEARING WASHER,5/16", SAE

WASHER, .344 x .688 x .051

1шт.

120376

NUT,5/16"-18, G5

1шт.

28

57581C1

HOSE

hopper air, 8 row, 4 & 6 row 1980 and above

1шт.

29

57561C1

PLATE

clamping, 8 row, 4 & 6 row 1980 and above

1шт.

86511938

SCREW,Pan, 5/16" - 18 x 3/4"

5/16 x 3/4 znp p/hds mach

4шт.

120393

BEARING WASHER,5/16", SAE

WASHER, .344 x .688 x .051 znd

4шт.

80681

LOCK WASHER,5/16"

WASHER, LOCK, 5/16"

4шт.

120376

NUT,5/16"-18, G5

4шт.

30

995224R1

CLAMP

hose

1шт.

31

57567C1

COVER

hopper air hose, 8 row, 4 & 6 row 1980 and above

1шт.

440-13110

SCREW,Cross Pan Hd, 5/16"-18 x 5/8"

5/16 x 5/8 znp p/hds mach

2шт.

120393

BEARING WASHER,5/16", SAE

WASHER, .344 x .688 x .051

2шт.

80681

LOCK WASHER,5/16"

WASHER, LOCK, 5/16"

2шт.

120376

NUT,5/16"-18, G5

2шт.

32

58047C1

BAFFLE

ASSY, air tube, 8 row, 4 & 6 row 1980 and above

1шт.

33

100012C1

ROD, plate tie

1шт.

34

542535R1

GASKET

rubber

1шт.

35

TUBE, 38 in. seed, make from 100 foot roll marked, 546541R2

1шт.

Выбрано товаров: 98