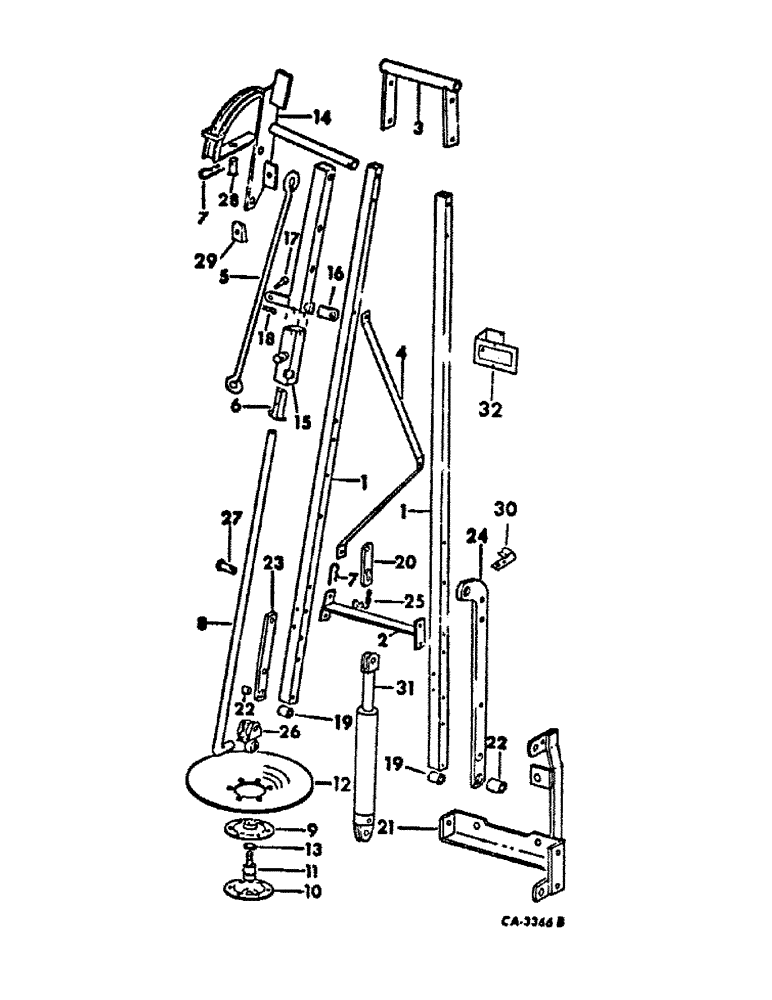
Запчасти Case IH 92 (D-43) - HYDRAULIC MARKER ATTACHMENT, FOR 8 ROW WIDE

Схема запчастей Case IH 92 - (D-43) - HYDRAULIC MARKER ATTACHMENT, FOR 8 ROW WIDE
1
26
19
19
14
22
30
7
31
16
26
29
3
12
5
10
24
2
27
15
25
13
20
1
4
22
23
9
6
8
21
17
11
18
32
7
FIT
1:1
100%

Артикул

Название

Примечание

Количество

1

489754R3

TUBE

marker

4шт.

180185

BOLT,Hex, 1/2" - 13 x 2 1/2", Gr 5

SCREW, 1/2-13 x 2-1/2 znd hex-hd cap

4шт.

180188

BOLT,Hex, 1/2" - 13 x 2 3/4", Gr 5

SCREW, 1/2-13 x 2-3/4 znd hex-hd cap

6шт.

120384

WASHER,1/2"

LOCK, 1/2"

12шт.

120378

NUT,Hex, 1/2" - 13, Gr 5

NUT, 1/2"-13, G5

12шт.

2

493946R1

BRACKET

ASSY, tube

2шт.

180138

BOLT,Hex, 3/8" - 16 x 3", Gr 5

SCREW, 3/8-16 x 2-3/4 znd hex-hd cap

4шт.

120382

LOCK WASHER,Helical Spring, 3/8"

WASHER, LOCK, 3/8"

4шт.

120377

NUT,3/8" - 16, Gr 5

4шт.

3

489758R2

PIPE

ASSY

2шт.

20314R1

BOLT,Short NK, 1/2"-13 x 2 1/2", G2

1/2 x 2-1/2 znd sq-nk crg

8шт.

120384

WASHER,1/2"

LOCK, 1/2"

8шт.

120378

NUT,Hex, 1/2" - 13, Gr 5

NUT, 1/2"-13, G5

8шт.

4

489761R1

SUPPORT

BRACE, frame

2шт.

113-257

BOLT,Hex, 3/8" - 16 x 2-1/2", Gr 5

SCREW, 3/8-16 x 2-1/2 znd hex-hd cap

10шт.

120382

LOCK WASHER,Helical Spring, 3/8"

WASHER, LOCK, 3/8"

10шт.

120377

NUT,3/8" - 16, Gr 5

10шт.

5

58280C1

ROD, marker brace

2шт.

21782R1

WASHER

21/32 x 1-1/2 x 16 ga C-Z

2шт.

187988

COTTER PIN,3/16" x 1 1/4"

PIN, SPLIT (COTTER), 3/16" x 1 1/4"

2шт.

6

489764R1

BLOCK

2шт.

20080R1

SET SCREW

1/2-13 x 1-1/4 znd sq-hd cup pt set

2шт.

7

520175R1

CLIP

PIN, 3/16 quick attachable cot.

4шт.

8

478033R1

ROD

marker disk clamp, 12 row wide and 16 row

2шт.

8

548747R1

ROD

marker disk clamp, 8 row wide

2шт.

8

544273R1

ROD

marker disk clamp, 12 row narrow

1шт.

9

478035R1

BEARING HOUSING,109 mm OD x 19.3 mm

disk bearing inner

2шт.

10

478036R1

BEARING HOUSING,30.023 mm ID x 69 mm OD x 19.3 mm

disk bearing outer

2шт.

11

478034R91

BEARING ASSY,30mm OD x 82.53mm L

BEARING, ball

2шт.

12

469372R1

DISC,13"

DISK, 13 in.

2шт.

180077

BOLT,Hex, 5/16" - 18 x 3/4", Gr 5

SCREW, 5/16-18 x 3/4 znd hex-hd cap

12шт.

80681

LOCK WASHER,5/16"

WASHER, LOCK, 5/16"

12шт.

120376

NUT,5/16"-18, G5

12шт.

13

480679R1

WASHER

dirt seal felt

2шт.

14

489774R3

PULLEY

ASSY, LH

1шт.

14

189775R3

PULLEY ASSY, RH

1шт.

21761R1

WASHER

29/32 x 1-1/2 x 16 ga C-Z

6шт.

20340R1

COTTER PIN,1/4" x 1 1/2"

PIN, SPLIT (COTTER), 1/4" x 1 1/2"

2шт.

15

57647C1

TUBE

ASSY, marker

2шт.

16

489787R1

LINK

2шт.

17

23225R1

HEADED PIN,3/8" x 2"

PIN, HEADED, 3/8" x 2"

4шт.

648002

KNIFE

1/8" x 3/4"

2шт.

18

586591R1

COTTER PIN

PIN, quick attachable cot.

4шт.

19

495137R1

SPACER

BUSHING, tube

10шт.

20

548076R1

LINK

BRACKET, outer end pivot

2шт.

21341R1

HEADED PIN,1/2" x 1"

PIN, 1/2 x 1 znd std-hd

2шт.

18481R1

COTTER PIN,3/16" x 1"

PIN, SPLIT (COTTER), 3/16" x 1"

2шт.

21

58194C1

ANGLE

PIVOT ASSY, marker LH

1шт.

21

58195C1

ANGLE

PIVOT ASSY, marker RH

1шт.

271771

HOUSING,Hex, 3/4" - 10 x 2", Gr 5

SCREW, 3/4-10 x 2 znd hex-hd cap

4шт.

87403

BOLT,Hex, 3/4" - 10 x 2 1/4", Gr 5

2шт.

87340

LOCK WASHER,Helical Spring, 0.759" ID, CST, ZND

WASHER, LOCK, 3/4"

6шт.

280954

NUT,3/4"-10, G5

6шт.

22

493982R2

BUSHING

marker pivot

4шт.

271724

PIN,Hex, 5/8" - 11 x 2 1/4", Gr 5

SCREW, 5/8-11 x 2-1/4 znd hex-hd cap

4шт.

464623R1

WASHER

21/32 x 1-1/2 x 11 ga C-Z

4шт.

492-11062

BEARING WASHER,5/8"

WASHER, LOCK, 5/8"

4шт.

231-14410

NUT,5/8"-11, GB

NUT, LOCK, 5/8"-11, GB

4шт.

23

548077R1

ARM

marker pivot

2шт.

24

548078R2

ARM

marker lift LH

1шт.

24

548079R2

ARM

marker lift RH

1шт.

19077R1

CARRIAGE BOLT,#3, 1/2" - 13 x 3", Gr 2

BOLT, 1/2 x 3 no. 3 repair plow

2шт.

25

4897679R2

CHAIN, actuator

2шт.

18656R1

BOLT,Hex, 1/4" - 20 x 1 1/4", Gr 2

1/4 x 1-1/4 znd hex-hd mach

2шт.

20600R1

WASHER

9/32 x 3/4 x 11 ga C-Z

2шт.

480891R1

NUT

1/4-20 znp hex. flange lock

2шт.

26

478032R1

CLAMP

axle

2шт.

466971R1

CARRIAGE BOLT,Sq Nk, 1/2" - 13 x 2", Gr 5

BOLT, 1/2 x 2 znd sq-nk crg

2шт.

120384

WASHER,1/2"

LOCK, 1/2"

2шт.

120378

NUT,Hex, 1/2" - 13, Gr 5

NUT, 1/2"-13, G5

2шт.

128228

SET SCREW,Sq Hd, 3/8"-16 x 3/4"

SCREW, 3/8-16 x 3/4 C-Z sq-hd cup-pt set

2шт.

27

468286R1

HEADED PIN,12.7mm OD x 92.08mm L

PIN, 1/2 x 3-7/16 C-Z std-hd

2шт.

28

22090R1

HEADED PIN

PIN, 3/4 x 7/8 C-Z std-hd

2шт.

29

(Not used in this application)

1шт.

30

493962R2

CLAMP, hyd hose

4шт.

18822R1

BOLT,Hex, 5/8"-11 x 1 1/2", G2, Full Thd

5/8 x 1-1/2 znd hex-hd mach

4шт.

492-11062

BEARING WASHER,5/8"

WASHER, LOCK, 5/8"

4шт.

280374

NUT,Hex, 5/8" - 11, Gr 5

5/8-11 znd hex.

4шт.

31

548207R93

CYLINDER ASSY.

CYLINDER ASSY, 2 x 8 in. single acting hydraulic, order cylinder assy, 145622C91, for components see list of parts under details of hyd cylinder

2шт.

22964R1

HEADED PIN,1" x 2 7/16"

PIN, 1 x 2-7/16 znd std-hd

4шт.

520175R1

CLIP

PIN, 3/16 quick attachable cot.

4шт.

32

113118C91

BRACKET w/PRODUCT GRAPHIC, 113116C1, marker warning

2шт.

180044

SPRING

SCREW, 1/4-20 x 2 znd hex-hd cap

4шт.

492-11025

LOCK WASHER,1/4"

WASHER, LOCK, 1/4"

4шт.

120375

NUT,Hex, 1/4" - 20, Gr 5

4шт.

Выбрано товаров: 85