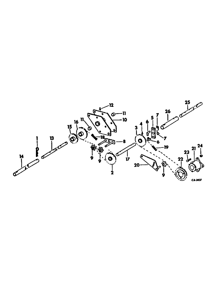
Запчасти Case IH 92 (D-06) - OUTER DRUM DRIVE

Схема запчастей Case IH 92 - (D-06) - OUTER DRUM DRIVE
12
26
14
11
9
25
18
7
9
21
22
24
6
10
2
8
1
5
6
3
7
19
17
9
16
23
13
4
20
15
FIT
1:1
100%

Артикул

Название

Примечание

Количество

1

471194R1

AXLE PIN

PIN, quick attachable cot.

2шт.

609836R1

WASHER

1-1/32 x 1-3/4 x 16 ga C-Z

2шт.

20340R1

COTTER PIN,1/4" x 1 1/2"

Pin, Split (Cotter), 1/4" x 1 1/2"

2шт.

2

58258C1

SPROCKET ASSY.

SPROCKET, 15 T, 2 for 4 and 6 row, 1 for 8 row

1шт.

21962R1

PIN, 1/4 x 2.125 hd type 1, 2 for 4 and 6 row, 1 for 8 row

1шт.

648002

KNIFE

1/8" x 3/4", 4 for 4 and 6 row, 5 for 8 row

1шт.

3

541666R1

SPROCKET ASSY.

SPROCKET, 16 T

2шт.

4

86636814

LUBE NIPPLE,1/4"-28 x .52" lg

FITTING, 1/4-28NF 2 STR lub

2шт.

5

541667R1

BAR

PAWL, carrier

2шт.

21835R1

HEADED PIN,5/16" x 1 3/4"

PIN, 5/16 x 1-3/4 C-Z std-hd

2шт.

137185

COTTER PIN,1/8" x 1"

PIN, SPLIT (COTTER), 1/8" x 1"

2шт.

6

472329R1

PAWL

sprocket

4шт.

137190

PIN,1/8" x 1 1/8"

1/8" x 1-1/8"

4шт.

7

472721R1

SPRING

wheel ratchet LH, 2 for 4 and 6 row, 4 for 8 row narrow

1шт.

7

472722R1

SPRING

wheel ratchet RH, 2 for 4 and 6 row, 4 for 8 row wide

1шт.

8

58035C1

ARM

TIGHTENER ASSY, chain, 2 for 4 and 6 row, 1 for 8 row

1шт.

9

472344R3

SPROCKET

6 T idler, 6 for 4 and 6 row, 4 for 8 row

1шт.

18481R1

COTTER PIN,3/16" x 1"

PIN, SPLIT (COTTER), , 1 per sprocket 3/16" x 1"

1шт.

10

58301C1

SUPPORT ASSY, bearing, 2 for 4 and 6 row, 1 for 8 row

1шт.

180177

BOLT,Hex, 1/2" - 13 x 1 1/2", Gr 5

SCREW, 1/2-13 x 1-1/2 znd hex-hd cap, two per bearing support assy

1шт.

120384

WASHER,1/2"

LOCK, , 2 per bearing support assy 1/2"

1шт.

120378

NUT,Hex, 1/2" - 13, Gr 5

NUT, , 2 per bearing support assy 1/2"-13, G5

1шт.

11

378699R1

BUSHING,22.25mm ID x 25.43mm OD x 22.35mm L

two per bearing support assy

1шт.

12

86504104

LUBE NIPPLE,1/4" x .56" lg, Drive

FITTING, 1/4 STR drive lub, one per bearing support assy

1шт.

13

58283C1

ROD

COUNTERSHAFT, 8 row wide

1шт.

13

58268C1

ROD

COUNTERSHAFT, 2 for 4 row and 6 row narrow, 1 for 8 row narrow

1шт.

13

58310C1

ROD

COUNTERSHAFT, 2 for 6 row wide

1шт.

21801R1

WASHER

9/32 x 3/4 x 16 ga znd, 2 for 4 and 6 row, 4 for 8 row

1шт.

20703R1

WASHER

29/32 x 1-3/4 x 16 ga C-Z, 4 for 4 and 6 row, 2 for 8 row

1шт.

22910R1

HEADED PIN

PIN, 1/4 x 1-1/2 std-hd

1шт.

21242R1

HEADED PIN

PIN, 1/4 x 1-3/4 std-hd, 8 row

1шт.

187988

COTTER PIN,3/16" x 1 1/4"

PIN, SPLIT (COTTER), , 4 for 6 row wide 3/16" x 1 1/4"

1шт.

217973

COTTER PIN,1/4" x 1 1/4"

Pin, Split (Cotter), 1/4" x 1-1/4", 4 for 4 row, 2 for 6 and 8 row

1шт.

14

58148C2

COUPLER, 2 for 6 row, 1 for 8 row

1шт.

14

58274C1

COUPLER, 2 for 4 row

1шт.

15

546537R1

SPROCKET ASSY.

SPROCKET, 12 T, serial no. 601 and below, 2 for 4 and 6 row, 1 for 8 row

1шт.

16

546538R1

SPROCKET ASSY.

SPROCKET, 15 T, 2 for 4 and 6 row, 1 for 8 row

1шт.

134056C1

PIN

special clevis, 2 for 4 and 6 row, 1 for 8 row

1шт.

112726

COTTER PIN,1/16" x 1/2"

PIN, SPLIT (COTTER), , 2 for 4 and 6 row; 1 for 8 row 1/16" x 1/2"

1шт.

17

58277C1

SHAFT, wheel pivot, 2 for 4 row, 6 and 8 row narrow

1шт.

17

58278C1

SHAFT

wheel pivot, 8 row wide

1шт.

18

CHAIN, countershaft, 2 for 4 and 6 row, 1 for 8 row, use 45 links of 1 in. extended pitch agricultural roller chain from a 10 ft roll marked, 569088R91 and one connecting link, 457113R91

1шт.

19

CHAIN, gauge wheel, use 75 links of 1 in. extended pitch agricultural roller chain from a 10 ft roll marked, 569088R91 and one connecting link, 457113R91

1шт.

20

520436R91

SUPPORT

TIGHTENER ASSY, chain LH, 1 for 4 and 6 row, 2 for 8 row narrow

1шт.

20

520437R91

SUPPORT

TIGHTENER ASSY, chain RH, 1 for 4 and 6 row, 2 for 8 row wide

1шт.

21887R1

HEADED PIN,1/4" x 1 5/8"

PIN, 1/4 x 1-5/8 znd std-hd, 1 for 4 and 6 row, 2 for 8 row

1шт.

18813R1

BOLT,Hex, 1/2" - 13 x 4", Gr 2

SCREW, 1/2-13 x 4 znd hex-hd cap

2шт.

18712R1

BOLT,Short NK, 1/2"-13 x 4", G2

1/2-13 x 4 znd sq-nk crg

2шт.

120384

WASHER,1/2"

LOCK, 1/2"

4шт.

120378

NUT,Hex, 1/2" - 13, Gr 5

NUT, 1/2"-13, G5

4шт.

87403

BOLT,Hex, 3/4" - 10 x 2 1/4", Gr 5

2 for 4 and 6 row, 1 for 8 row Hex, 3/4"-10 x 2 1/4", G5

1шт.

413-1240

BOLT,Hex, 3/4" - 10 x 2-1/2", Gr 5

Hex, 3/4"-10 x 2-1/2", G5, 2 for 4 and 6 row, 1 for 8 row

1шт.

87340

LOCK WASHER,Helical Spring, 0.759" ID, CST, ZND

WASHER, LOCK, 3/4", 1 per screw

1шт.

22086

NUT

3/4-10 znd hex., 1 per screw

1шт.

21

480257R1

HUB

sprocket

2шт.

22

480258R1

SPROCKET ASSY.

SPROCKET, 16-T hub

2шт.

9635884

BOLT,Hex, 5/16" - 18 1", Full Thd, Gr 5

6шт.

80681

LOCK WASHER,5/16"

WASHER, LOCK, 5/16"

6шт.

120376

NUT,5/16"-18, G5

6шт.

23

541792R1

BOLT,1/2" - 20 x 2 1/8", Gr 20, Full Thd

hub

8шт.

24

453770R1

WHEEL NUT

1/2-20 special hex.

8шт.

25

545289R1

SHAFT

wheel pivot, 8 row wide

1шт.

26

545290R2

COUPLING

COUPLER, 8 row wide

1шт.

26

59359C1

COUPLER, 8 row narrow

1шт.

Выбрано товаров: 64