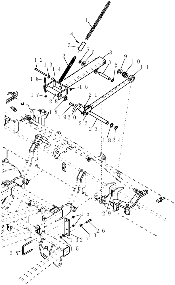
Запчасти Case IH 800 (39.100.36) - BOOM, LATCH ARM (50) (39) - FRAMES AND BALLASTING

Схема запчастей Case IH 800 - (39.100.36) - BOOM, LATCH ARM (50) (39) - FRAMES AND BALLASTING
2
27
14
20
5
16
7
15
11
4
29
23
13
10
26
15
8
13
6
28
25
18
24
15
18
1
12
3
5
21
13
19
22
17
9
FIT
1:1
100%

Артикул

Название

Примечание

Количество

1

84212987

CHAIN (AG)

.375" x 16.1", Gr 30, 11 Links

1шт.

2

87505479

SPRING

tension 13/64" wire 1 1/4" od x 12" long

1шт.

3

87420337

SLEEVE

spring keeper

1шт.

4

87400

COTTER PIN,3/16" x 2"

1шт.

5

87019495

SNAP RING,#98, Ext

2шт.

6

5871

WASHER

1 1/64" id x 2" x 5/16"

2шт.

7

87420316

PIN

25.4 x146 ul with snap

1шт.

8

87504065

ARM

boom latch LH

1шт.

9

86512837

WASHER,1.38" ID x 2.5" OD x 0.17" Thk

1шт.

10

87418720

BUSHING,31.2mm ID x 55mm OD x 48mm L

polyurethane 95a

1шт.

11

87504127

LINK

latch release boom

1шт.

12

9627857

BOLT,Hex, 1/2" - 13 x 6 1/2", Gr 5

1шт.

13

80700

WASHER,0.56" ID x 1.38" OD x 0.11" Thk

3шт.

14

87504260

SPACER

Transport Arm

1шт.

15

86992215

LOCK NUT,1/2"-13, GC

4шт.

16

88604

BOLT,Hex, 7/16" - 14 x 2 1/2", Gr 5

1шт.

17

280980

NUT,7/16"-14, GC

1шт.

18

87325445

WASHER,1.25" ID x 1.88" OD x 0.07" Thk

1 1/4" id 1 7/8" 14ga

2шт.

19

2898

CLEVIS PIN

3/4" x 1 29/32"

1шт.

20

87504261

LEVER

latch release

1шт.

21

80754

COTTER PIN,3/16" OD x 1-1/2" OAL

1шт.

22

4285

WASHER

3/4" id 18ga

1шт.

23

87420315

PIN

31.75 mm x 267 mm ul chrome

1шт.

24

86625148

SNAP RING,#125, Ext

1шт.

25

412749A1

U-BOLT

us 1/2"-13 4 1/8" w 5 1/4" d G5 1 1/4" thread

1шт.

26

87972

BOLT,Hex, 1/2" - 13 x 2 1/2", Gr 5

1шт.

27

87569801

BRACKET

chain mount

1шт.

28

87504259

ROLLER

boom latch

1шт.

29

3566

COTTER PIN

5/16" x 2"

1шт.

Выбрано товаров: 0