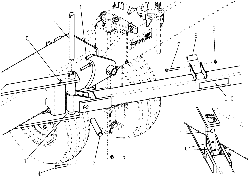
Запчасти Case IH 800 (39.110.06) - DRAFT LINK - BOOM (39) - FRAMES AND BALLASTING

Схема запчастей Case IH 800 - (39.110.06) - DRAFT LINK - BOOM (39) - FRAMES AND BALLASTING
2
4
5
3
10
11
9
6
7
5
4
8
1
FIT
1:1
100%

Артикул

Название

Примечание

Количество

1

87503828

KNUCKLE

ASSY. hitch draw

1шт.

2

87420031

PIN

38.1 x 389 ul

1шт.

3

87418605

PIN

38.1 x 171 mm ul

2шт.

4

426-1056

BOLT,Hex, 5/8" - 11 x 3-1/2", Gr 8

1шт.

5

85700693

NUT,5/8" - 11, Gr C

1шт.

6

219-8

LUBE NIPPLE,1/4" - 28 NPTF

2шт.

7

86505993

BOLT,Hex, 1/2" - 13 x 4", Gr 5

1шт.

8

87502134

ROLLER

38.1 X 73 Nylatron

1шт.

9

86992215

LOCK NUT,1/2"-13, GC

1шт.

10

22903

DECAL

retroreflective amber 2" x 9"

1шт.

11

6566

DECAL

grease 50 hours

1шт.

Выбрано товаров: 0