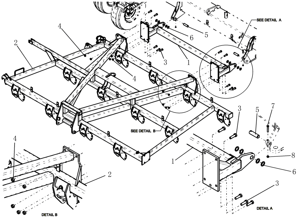
Запчасти Case IH 800 (39.100.15) - INNER TOOLBAR FRAME (60 AND 70) (39) - FRAMES AND BALLASTING

Схема запчастей Case IH 800 - (39.100.15) - INNER TOOLBAR FRAME (60 AND 70) (39) - FRAMES AND BALLASTING
6
2
4
4
6
1
3
7
8
3
1
3
5
4
5
2
FIT
1:1
100%

Артикул

Название

Примечание

Количество

1

87682267

FRAME

15' Pivot Bar LH

1шт.

1

87711691

FRAME

15' Pivot Bar RH

1шт.

2

87682213

FRAME

15' Wing, 12" Spacing, Inner LH

1шт.

2

87682261

FRAME

15' Wing, 12" Spacing, Inner RH

1шт.

2

87624806

FRAME

15' Wing, 10" Spacing, Inner LH

1шт.

2

87624808

FRAME

15' Wing, 10" Spacing, Inner RH

1шт.

3

9706701

BOLT,Hex, 3/4" - 10 x 2 1/2", Gr 5

20шт.

4

86754

NUT,3/4"-10, GB

20шт.

5

87419929

PIN

31.75 mm x 94 mm ul chrome

4шт.

6

86632583

WASHER,1.28" ID x 2" OD x 0.12" Thk

16шт.

7

88604

BOLT,Hex, 7/16" - 14 x 2 1/2", Gr 5

4шт.

8

280980

NUT,7/16"-14, GC

4шт.

Выбрано товаров: 0