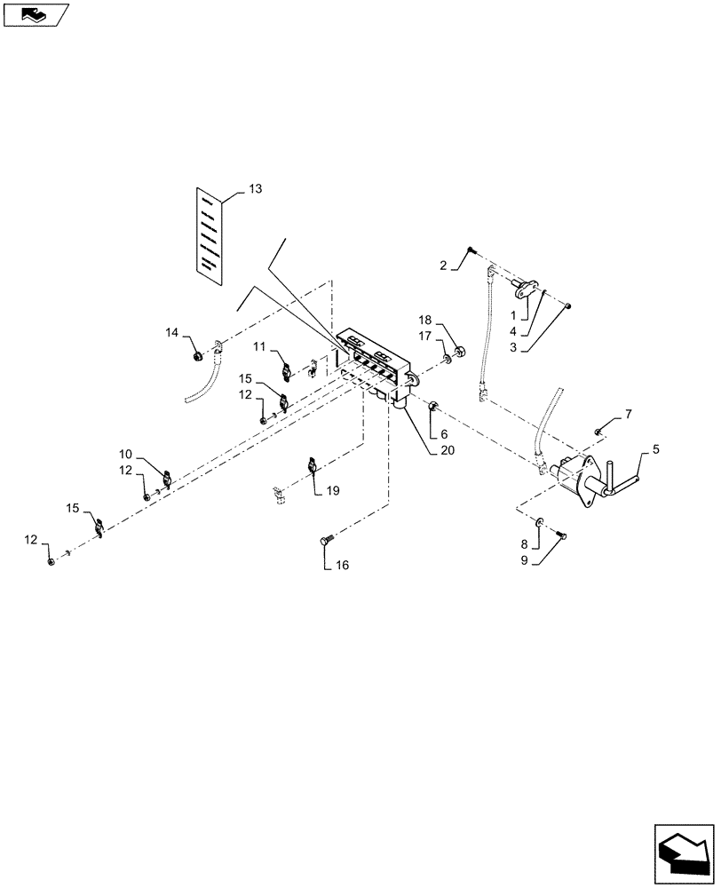
Запчасти Case IH 2240 (55.302.AI[01]) - BATTERY BOX, FUSES, AND DISCONNECT (55) - ELECTRICAL SYSTEMS

Схема запчастей Case IH 2240 - (55.302.AI[01]) - BATTERY BOX, FUSES, AND DISCONNECT (55) - ELECTRICAL SYSTEMS
18
home
12
19
3
14
12
13
2
7
10
12
9
11
8
16
6
15
15
20
17
1
5
4
FIT
1:1
100%

Артикул

Название

Примечание

Количество

1

20-1451T1

BLOCK

Junction

1шт.

2

87343600

SCREW,Phil Pan Hd, M5 x 16mm, Cl 4.8, Full Thd

2шт.

3

87344030

NUT,Prevailing Torque, M5 x 0.8, CL 8, DOR

2шт.

4

87529301

WASHER,5.6mm ID x 10mm OD x 1mm Thk

5.6 x 10 x 1 MM, DOR

13шт.

5

84004375

BATTERY CUT-OUT

Battery Disconnect

1шт.

6

87344209

NUT,M10 x 1.5, Cl 10, DOR

2шт.

7

86980513

NUT,Prev Torque, Hex, M6, 1mm Pitch, Cl 8, DOR

2шт.

8

87529302

WASHER,6.6mm ID x 18mm OD x 1.6mm Thk

6.6 x 18 x 1.6 MM

2шт.

9

86980359

BOLT,Hex, M6 x 1 x 16mm, Cl 8.8

2шт.

10

84078783

FUSE,80A, Midival

80 Amp

1шт.

11

84330274

FUSE,125A

125 Amp

2шт.

12

84401337

NUT

M5, Class 8, DOR

11шт.

13

84371137

DECAL

Fuse

1шт.

14

86981461

FLANGE NUT,M8 x 1.25, Cl 8

1шт.

15

84174070

FUSE,30A, Orange

30 Amp

3шт.

16

86980379

BOLT,Hex, M8 x 1.25 x 20mm, Cl 8.8

2шт.

17

87529316

WASHER,9mm ID x 21mm OD x 2.5mm Thk

2шт.

18

86980514

LOCK NUT,Hex, M8, Cl 8, DOR

2шт.

19

87548130

FUSE,60A, Midival

60 AMP

1шт.

20

84206083

FUSE BOX

6 Way

1шт.

Выбрано товаров: 20