Запчасти Case IH 2240 (55.635.AM[07]) - AIM COMMAND, 90, 5 & 6 SECTION, OUTER / BREAKAWAY HARNESS, 9 NOZZLE (55) - ELECTRICAL SYSTEMS

Схема запчастей Case IH 2240 - (55.635.AM[07]) - AIM COMMAND, 90, 5 & 6 SECTION, OUTER / BREAKAWAY HARNESS, 9 NOZZLE (55) - ELECTRICAL SYSTEMS
55.635.ab 01
10
15
7
13
14
6
8
5
2
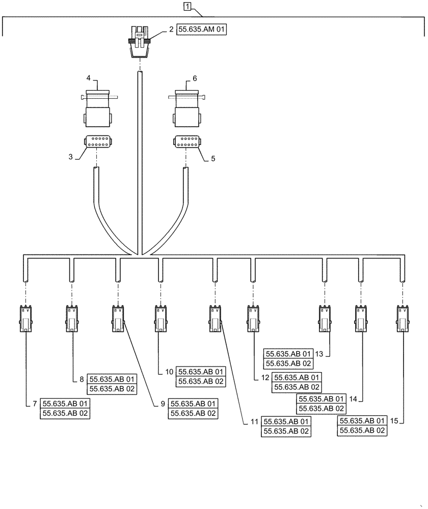
1
4
12
9
3
55.635.ab 02
55.635.ab 02
55.635.ab 02
55.635.ab 02
55.635.ab 02
55.635.ab 02
55.635.ab 02
55.635.ab 02
55.635.ab 02
11
55.635.am 01
55.635.ab 01
55.635.ab 01
55.635.ab 01
55.635.ab 01
55.635.ab 01
55.635.ab 01
55.635.ab 01
55.635.ab 01
FIT
1:1
100%

Артикул

Название

Примечание

Количество

1

47552104

WIRE HARNESS

Aim Command, 5-6 Section, 90' Boom, Outer Section, 9 Nozzle, Incl 2 - 15

1шт.

2

245484C1

ELEC CONNECTOR,3 Pin

X-931F, Aim Command Central Harness

1шт.

2

225122C1

TERMINAL CONNECTOR,Tin, 1.0 - 2.0mm

X-931F, Aim Command Central Harness

3шт.

2

225126C1

CONNECTOR, ELEC

X-931F, CONNECTOR Seal, Aim Command Central Harness

1шт.

3

225389C1

CONNECTOR, ELEC

X-304F, CONNECTOR Splice Pack

1шт.

3

87695651

LOCKING TAB,Wedge Lock

X-304F, Splice Pack

1шт.

3

86500036

TERMINAL,Female, Nickel, 0.75 - 2mm

X-304F, Splice Pack

12шт.

4

87381540

ELEC CONNECTOR

X-304M, Splice Pack 2 x 6 Way

1шт.

5

225389C1

CONNECTOR, ELEC

X-305F, CONNECTOR Splice Pack

1шт.

5

87695651

LOCKING TAB,Wedge Lock

X-305F, Splice Pack

1шт.

5

86500036

TERMINAL,Female, Nickel, 0.75 - 2mm

X-305F, Splice Pack

12шт.

6

87269436

SOCKET/RECEPTACLE

X-305M, 12 Way Splice Pack

1шт.

7

245483C1

ELEC CONNECTOR,Male, 2 Pin

X-1.7F1, Nozzle Solenoid Connector

1шт.

7

225119C1

TERMINAL

X-1.7F1, Nozzle Solenoid Connector

2шт.

7

225124C1

SEAL,2 - 2.9 mm2

X-1.7F1, Nozzle Solenoid Connector

2шт.

8

245483C1

ELEC CONNECTOR,Male, 2 Pin

X-2.7F1, Nozzle Solenoid Connector

1шт.

8

225119C1

TERMINAL

X-2.7F1, Nozzle Solenoid Connector

2шт.

8

225124C1

SEAL,2 - 2.9 mm2

X-2.7F1, Nozzle Solenoid Connector

2шт.

9

245483C1

ELEC CONNECTOR,Male, 2 Pin

X-3.7F1, Nozzle Solenoid Connector

1шт.

9

225119C1

TERMINAL

X-3.7F1, Nozzle Solenoid Connector

2шт.

9

225124C1

SEAL,2 - 2.9 mm2

X-3.7F1, Nozzle Solenoid Connector

2шт.

10

245483C1

ELEC CONNECTOR,Male, 2 Pin

X-4.7F1, Nozzle Solenoid Connector

1шт.

10

225119C1

TERMINAL

X-4.7F1, Nozzle Solenoid Connector

2шт.

10

225124C1

SEAL,2 - 2.9 mm2

X-4.7F1, Nozzle Solenoid Connector

2шт.

11

245483C1

ELEC CONNECTOR,Male, 2 Pin

X-5.7F1, Nozzle Solenoid Connector

1шт.

11

225119C1

TERMINAL

X-5.7F1, Nozzle Solenoid Connector

2шт.

11

225124C1

SEAL,2 - 2.9 mm2

X-5.7F1, Nozzle Solenoid Connector

2шт.

12

245483C1

ELEC CONNECTOR,Male, 2 Pin

X-6.7F1, Nozzle Solenoid Connector

1шт.

12

225119C1

TERMINAL

X-6.7F1, Nozzle Solenoid Connector

2шт.

12

225124C1

SEAL,2 - 2.9 mm2

X-6.7F1, Nozzle Solenoid Connector

2шт.

13

245483C1

ELEC CONNECTOR,Male, 2 Pin

X-7.7F1, Nozzle Solenoid Connector

1шт.

13

225119C1

TERMINAL

X-7.7F1, Nozzle Solenoid Connector

2шт.

14

225124C1

SEAL,2 - 2.9 mm2

X-7.7F1, Nozzle Solenoid Connector

2шт.

14

245483C1

ELEC CONNECTOR,Male, 2 Pin

X-8.7F1, Nozzle Solenoid Connector

1шт.

14

225119C1

TERMINAL

X-8.7F1, Nozzle Solenoid Connector

2шт.

14

225124C1

SEAL,2 - 2.9 mm2

X-8.7F1, Nozzle Solenoid Connector

2шт.

15

245483C1

ELEC CONNECTOR,Male, 2 Pin

X-9.7F1, Nozzle Solenoid Connector

1шт.

15

225119C1

TERMINAL

X-9.7F1, Nozzle Solenoid Connector

2шт.

15

225124C1

SEAL,2 - 2.9 mm2

X-9.7F1, Nozzle Solenoid Connector

2шт.

Выбрано товаров: 39