Запчасти Case IH 2240 (78.110.AC[12]) - FRONT FILL 3" PLUMBING (78) - SPRAYING

Схема запчастей Case IH 2240 - (78.110.AC[12]) - FRONT FILL 3" PLUMBING (78) - SPRAYING
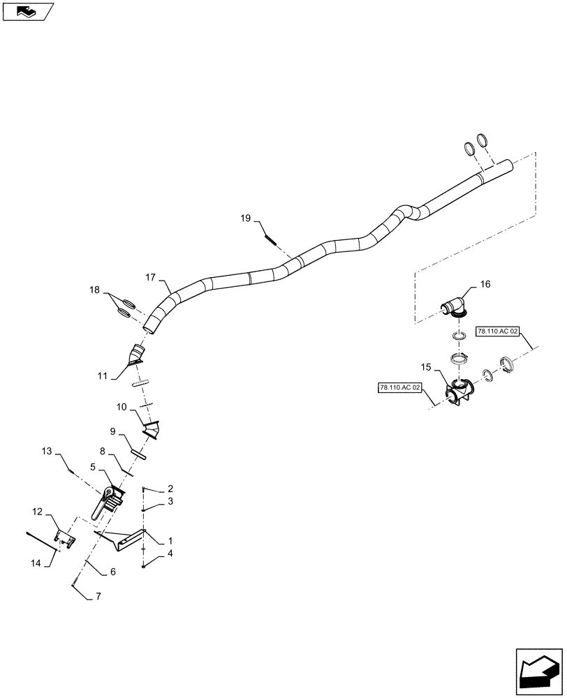
10
5
11
13
16
78.110.ac 02
19
6
4
17
12
8
7
9
home
2
15
14
18
1
3
78.110.ac 02
FIT
1:1
100%

Артикул

Название

Примечание

Количество

1

47593300

MOUNT

Front Fill

1шт.

2

86980382

BOLT,Hex, M8 x 1.25 x 35mm, Cl 8.8, Full Thd

M8 x 35 DOR

2шт.

3

87529316

WASHER,9mm ID x 21mm OD x 2.5mm Thk

4шт.

4

86980514

LOCK NUT,Hex, M8, Cl 8, DOR

2шт.

5

47421018

VALVE,3" Flange x 3" Male Adapter

3" Flange, Stubby

1шт.

6

87529312

WASHER,11mm ID x 24mm OD x 3mm Thk

3шт.

7

BN50948

BOLT,Hex, 3/8" - 16 x 2 1/2", Stainless

3шт.

8

BN321073

GASKET,3" Flange, EPDM

3" EPDM

4шт.

9

BN321074

CLAMP,101.6mm

3" Flange

4шт.

10

87266599

COUPLING,3" x 3" 45 Degree Full Port Flange

45 Degree, 3" Flange

1шт.

11

84283082

FITTING,3" Flange x 3" 45 Degree Hose Barb Elbow

45 Degree, 3" Flange x 3" Hose Barb

1шт.

12

BN2393384

CAP

3" Cam, Poly

1шт.

13

306132C1

CABLE TIE,14.5" L

1шт.

14

416624A1

ROPE

Lanyard, Nylon, 1/4" X 12"

1шт.

15

BN321071

FITTING,3" Flange x 3" Hose Barb Tee

3" Manifold

1шт.

16

BN321082

FITTING,3" Flange x 3" 90 Degree Hose Barb Elbow

90 Degree,3" Flange x 3" Hose Barb

1шт.

17

BN326025

HOSE,3.00" ID BULK

Cut To Length Required

1шт.

18

BN324269

HOSE CLAMP

#52, SST

4шт.

19

84419983

TRIM

Edge

1шт.

Выбрано товаров: 19