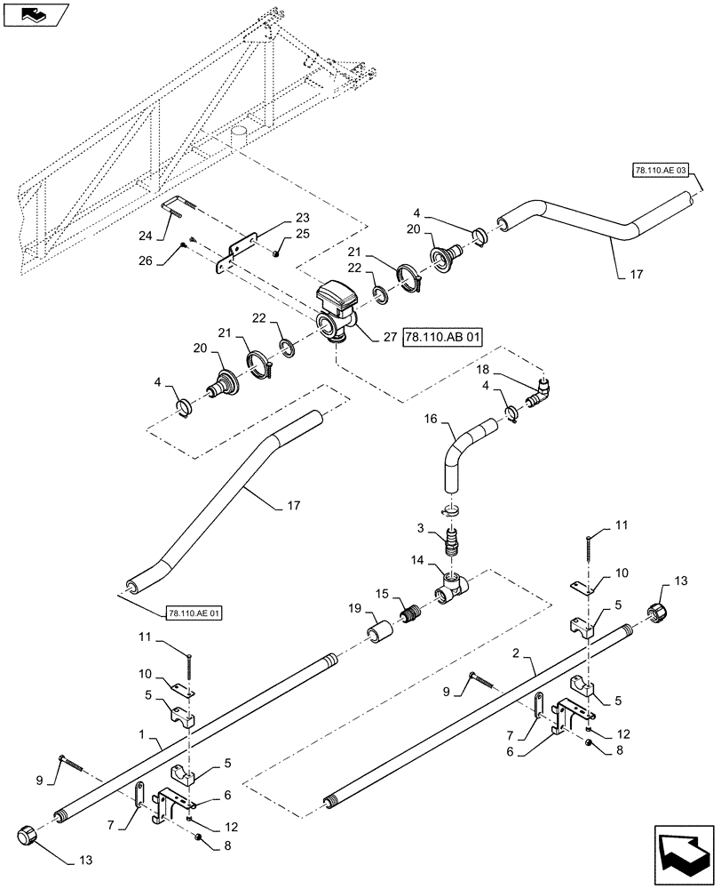
Запчасти Case IH 2240 (78.110.AE[02]) - BOOM PLUMBING, LH, INNER, 20" NOZZLE SPACING, 5 SECTION, 80 (78) - SPRAYING

Схема запчастей Case IH 2240 - (78.110.AE[02]) - BOOM PLUMBING, LH, INNER, 20" NOZZLE SPACING, 5 SECTION, 80 (78) - SPRAYING
4
22
25
21
15
1
22
13
20
5
20
23
19
21
14
26
17
12
4
24
9
16
27
3
10
9
11
2
8
5
home
6
5
7
7
78.110.ae 01
18
11
13
12
17
78.110.ae 03
6
4
5
10
8
78.110.ab 01
FIT
1:1
100%

Артикул

Название

Примечание

Количество

1

87452553

PIPE

9 Hole, 20" Spacing, 14' - 2 1/2" Long, SCH 80,Poly

1шт.

2

87452551

PIPE

6 Hole, 20" Spacing, 9' - 2 1/2" Long, SCH 80,Poly

1шт.

3

BN53476

FITTING,1" Male NPT x 1" Hose Barb, Poly

1" MPT x 1" Hose Barb, Poly

1шт.

4

BN75990

HOSE CLAMP

SST, # 16

4шт.

5

BN67054

CLAMP

Inc Top And Bottom Halves

7шт.

6

47542139

MOUNT

Spray Bar Mount

7шт.

7

BN308039

PLATE

Spacer

7шт.

8

86980515

NUT,Hex, M10 x 1.5, Cl 8.8, DOR

14шт.

9

86980408

BOLT,Hex, M10 x 1.5 x 80mm, Cl 8.8

14шт.

10

BN309483

PLATE

Cover

7шт.

11

86980369

BOLT,Hex, M6 x 80, Cl 8.8

M6 x 80, CL 8, DOR

14шт.

12

86980513

NUT,Prev Torque, Hex, M6, 1mm Pitch, Cl 8, DOR

14шт.

13

BN73606

CAP

1", Poly

2шт.

14

BN73629

TEE

1" FPT, Poly

1шт.

15

BN73648

NIPPLE

1", Short, Poly

1шт.

16

BN53479

HOSE,1.00" ID BULK

EPDM, Cut To Length Required

1шт.

17

BN29563

HOSE

EPDM, Bulk, Cut To Length Required

1шт.

18

BN73575

FITTING

90 Degree, 3/4" MPT x 1" Hose Barb, Poly

1шт.

19

BN66968

COUPLING

1", Poly

1шт.

20

BN306900

FITTING,2" Flange x 1-1/4" Hose Barb, Poly

2" Flange x 1-1/4" Hose Barb

1шт.

21

BN303199

CLAMP,2" Flange

2" Flange

2шт.

22

BN303204

GASKET,1-1/2" EPDM Gasket

2" Flange

2шт.

23

84385241

MOUNT

Valve Mount

1шт.

24

BN319919

U-BOLT

3/8"

1шт.

25

BN50759

LOCK NUT,3/8"-16, Nylon, Stainless

2шт.

26

BN50697

BOLT,Hex, 1/4" - 20 x 1/2", SST

2шт.

27

87632830

SHUT-OFF VALVE

2" Flange, Complete

1шт.

See 78.110.AB 01 For Service Parts

1шт.

28

86980401

BOLT,Hex, M10 x 1.5 x 30mm, Cl 8.8, Full Thd

4шт.

Выбрано товаров: 0