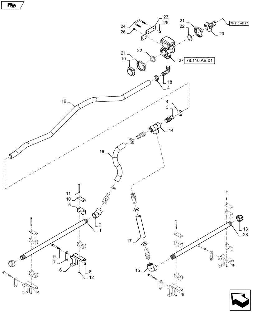
Запчасти Case IH 2240 (78.110.AE[26]) - BOOM PLUMBING, LH, OUTER, 20" NOZZLE SPACING, 6 SECTION, 90 (78) - SPRAYING

Схема запчастей Case IH 2240 - (78.110.AE[26]) - BOOM PLUMBING, LH, OUTER, 20" NOZZLE SPACING, 6 SECTION, 90 (78) - SPRAYING
5
10
25
6
22
4
27
78.110.ab 01
17
19
16
13
26
2
9
78.110.ae 27
16
12
15
home
18
14
8
20
1
4
28
24
22
7
3
23
21
11
21
FIT
1:1
100%

Артикул

Название

Примечание

Количество

1

87452548

PIPE

3 Hole, 20" Spacing, 46" Long, SCH 80, Poly

1шт.

2

BN307203

ELBOW,1" 45 Degree Poly Street Elbow

45 Degree, 1" FPT, Poly

1шт.

3

BN53476

FITTING,1" Male NPT x 1" Hose Barb, Poly

1" MPT, x 1" Hose Barb, Poly

5шт.

4

BN75990

HOSE CLAMP

SST, #16

6шт.

5

BN67054

CLAMP

Includes Top And Bottom Halves

4шт.

6

84326076

SUPPORT

Spray Bar Mount

4шт.

7

BN308039

PLATE

Spacer

4шт.

8

86980515

NUT,Hex, M10 x 1.5, Cl 8.8, DOR

8шт.

9

86980408

BOLT,Hex, M10 x 1.5 x 80mm, Cl 8.8

8шт.

10

BN309483

PLATE

Cover

4шт.

11

86980369

BOLT,Hex, M6 x 80, Cl 8.8

M6 x 80, CL 8, DOR

8шт.

12

86980513

NUT,Prev Torque, Hex, M6, 1mm Pitch, Cl 8, DOR

8шт.

13

BN73606

CAP

1", Poly

2шт.

14

BN73629

TEE

1" FPT, Poly

1шт.

15

BN73742

ELBOW

90 Degree, 1" FPT, Poly

1шт.

16

BN53479

HOSE,1.00" ID BULK

Cut To Required Length

1шт.

17

BN29563

HOSE

Bulk, 1-1/4", Cut To Required Length

1шт.

18

BN73575

FITTING

90 Degree, 3/4" MPT x 1" Hose Barb, Poly

1шт.

19

BN304317

PLUG,2" Flange, Poly

2" Flange

1шт.

20

BN306900

FITTING,2" Flange x 1-1/4" Hose Barb, Poly

2" Flange x 1 - 1/4" Hose Barb

1шт.

21

BN303199

CLAMP,2" Flange

2" Flange

2шт.

22

BN303204

GASKET,1-1/2" EPDM Gasket

2" Flange, EPDM

2шт.

23

87270047

MOUNT

Boom Valve

1шт.

24

BN319919

U-BOLT

3/8"

1шт.

25

BN50759

LOCK NUT,3/8"-16, Nylon, Stainless

2шт.

26

BN50697

BOLT,Hex, 1/4" - 20 x 1/2", SST

2шт.

27

87632830

SHUT-OFF VALVE

2" Flange, Complete

1шт.

See 78.110.AB 01 For Service Parts

1шт.

28

87452551

PIPE

6 Hole, 20" Spacing, 9' - 2 1/2" Long, SCH 80, Poly

1шт.

Выбрано товаров: 0