Запчасти Case IH 2240 (78.110.AH[04]) - HAND RINSE, BEFORE SN YFT041440 (78) - SPRAYING

Схема запчастей Case IH 2240 - (78.110.AH[04]) - HAND RINSE, BEFORE SN YFT041440 (78) - SPRAYING
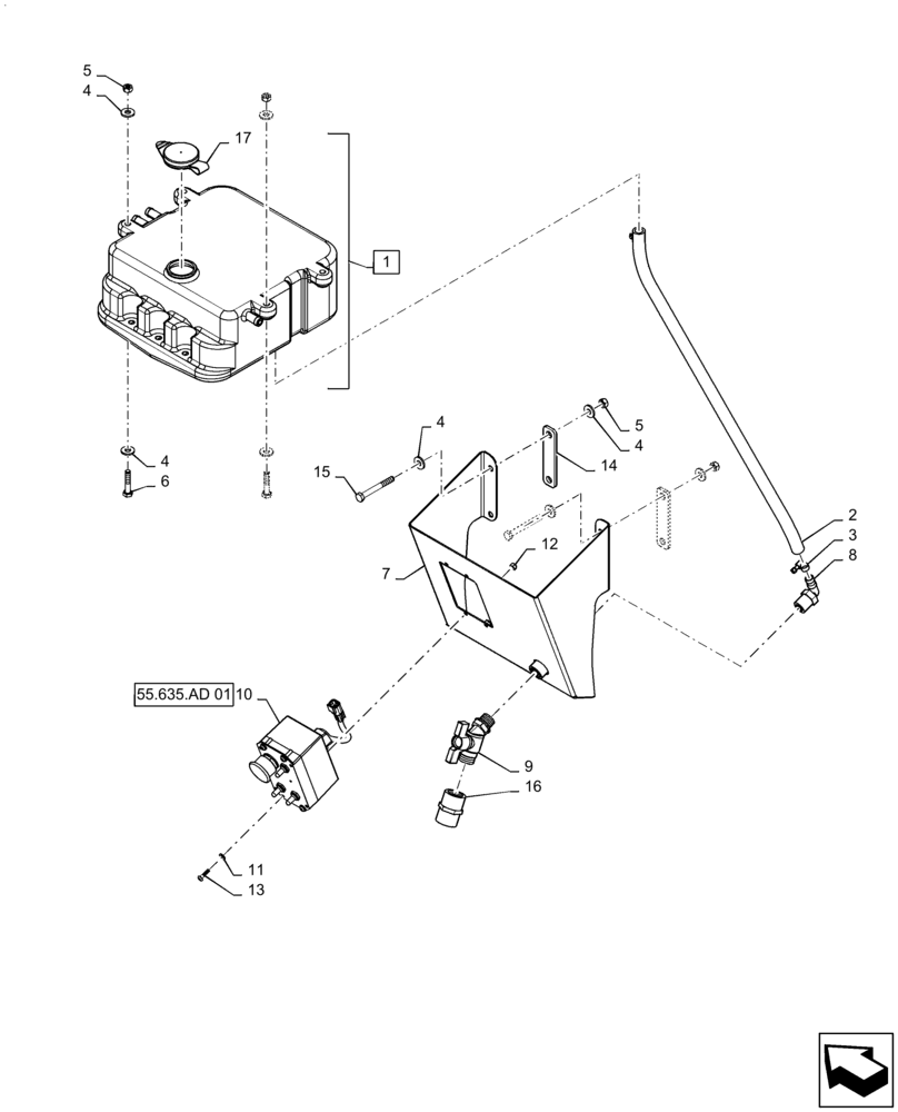
16
17
12
13
4
8
7
4
14
5
15
11
55.635.ad 01
5
1
4
9
2
6
4
3
10
FIT
1:1
100%

Артикул

Название

Примечание

Количество

1

84493572

TANK

Hand Rinse, 9 Liters, Incl 17

1шт.

2

BN54239

HOSE,12.7mm ID x 3048mm L

Bulk, 1/2", EPDM

1шт.

3

87487826

CLAMP,0.44" - 0.78"

#06, SST

2шт.

4

87529316

WASHER,9mm ID x 21mm OD x 2.5mm Thk

16шт.

5

86980514

LOCK NUT,Hex, M8, Cl 8, DOR

8шт.

6

86980383

BOLT,Hex, M8 x 40mm, Cl 8.8

M8 x 40mm, DOR

4шт.

7

47488840

PANEL

Emergency Stop/Hand Rinse

1шт.

8

BN73511

FITTING

1/2" NPT x 1/2" NPT NH 90

1шт.

9

BN53817

DRAIN VALVE

Ball, 1/2" NPT x Garden Hose Thread, Blue Handle

1шт.

10

87266536

CONTROL UNIT

Remote Station Reload Center

1шт.

See Figure 55.635.AD 01 For Service Parts

1шт.

11

BN310265

WASHER

#10, Stainless Steel

4шт.

12

BN310266

BHD LOCK NUT,#10-24, Nylon, Stainless Steel

4шт.

13

BN311631

BOLT,#10 - 24 x 3/4", SST

10-24 x .75 SS

4шт.

14

87632103

PLATE

3" Tube

2шт.

15

86980387

BOLT,Hex, M8 x 70mm, Cl 8.8

Hex, M8 - 1.25 x 70mm, Class 8.8, DOR

4шт.

16

47507453

COUPLING

3/4" FGH w/Gasket

1шт.

17

84493821

COVER

Rinse Tank, Included In 1

1шт.

Выбрано товаров: 0