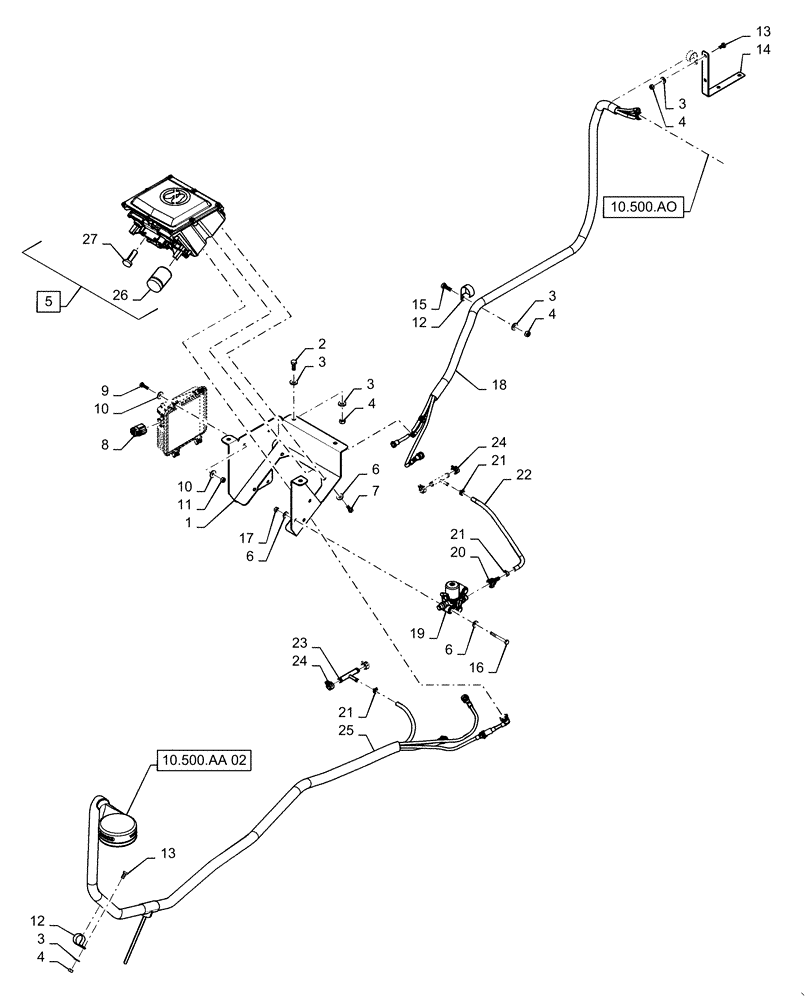
Запчасти Case IH 2240 (10.500.AD[01]) - HEATED DEF LINES BSN YDT036139 (10) - ENGINE

Схема запчастей Case IH 2240 - (10.500.AD[01]) - HEATED DEF LINES BSN YDT036139 (10) - ENGINE
7
10.500.aa 02
8
1
3
13
26
23
2
6
3
21
24
6
4
10
4
9
11
21
3
15
24
12
25
17
19
6
3
3
10
4
14
22
13
12
18
16
5
21
27
10.500.ao
4
21
20
FIT
1:1
100%

Артикул

Название

Примечание

Количество

1

84497283

MOUNT

Supply Module

1шт.

2

86980400

BOLT,Hex, M10 x 25mm, Cl 8.8, Full Thd

5шт.

3

87529312

WASHER,11mm ID x 24mm OD x 3mm Thk

14шт.

4

86980515

NUT,Hex, M10 x 1.5, Cl 8.8, DOR

9шт.

5

84246892

MODULE

Supply, Incl 26 & 27

1шт.

5

84246892R

REMAN-MODULE

Supply

1шт.

5

84246892C

CORE-MODULE

Return Number

1шт.

6

87529316

WASHER,9mm ID x 21mm OD x 2.5mm Thk

10шт.

7

86980380

BOLT,Hex, M8 x 1.25 x 25mm, Cl 8.8, Full Thd

4шт.

8

84383005

CONVERTER,12V To 24V

12v - 24v

1шт.

9

86980360

BOLT,Hex, M6 x 1 x 20mm, Cl 8.8, Full Thd

4шт.

10

87529302

WASHER,6.6mm ID x 18mm OD x 1.6mm Thk

6.6 x 18 x 1.6mm, DOR

8шт.

11

86980513

NUT,Prev Torque, Hex, M6, 1mm Pitch, Cl 8, DOR

4шт.

12

86637998

CLAMP,38.1mm, Coat, 10.3mm Bolt Hole, P Type

7шт.

13

86980399

BOLT,Hex, M10 x 1.5 x 20mm, Cl 8.8, Full Thd

M10 x 20, Class 8.8, DOR

2шт.

14

47545798

BRACKET

DEF Lines

1шт.

15

86980401

BOLT,Hex, M10 x 1.5 x 30mm, Cl 8.8, Full Thd

2шт.

16

86980387

BOLT,Hex, M8 x 70mm, Cl 8.8

M10 x 70, Class 8.8, DOR

3шт.

17

86980514

LOCK NUT,Hex, M8, Cl 8, DOR

3шт.

18

84494971

HOSE

DEF Bundle, Heated, Dosing

1шт.

19

84151635

HEATER VALVE

24 Volt

1шт.

20

84182161

FITTING

PS3, NW12-10-0

1шт.

21

1348264C1

HOSE CLAMP

Spring

4шт.

22

84131322

HOSE

Fuel, 490mm Long

1шт.

23

84381516

TEE

DEF Heater

2шт.

24

1954736C1

HOSE CLAMP,#24

4шт.

25

84494970

HOSE

DEF Bundle, Heated, Tank

1шт.

26

84247272

FILTER,In-Line

Module

1шт.

27

84254852

FILTER

Def

1шт.

Выбрано товаров: 29