Запчасти Case IH 3150 (09-007) - VALVE, 1" ELECTRIC Liquid Plumbing

Схема запчастей Case IH 3150 - (09-007) - VALVE, 1" ELECTRIC Liquid Plumbing
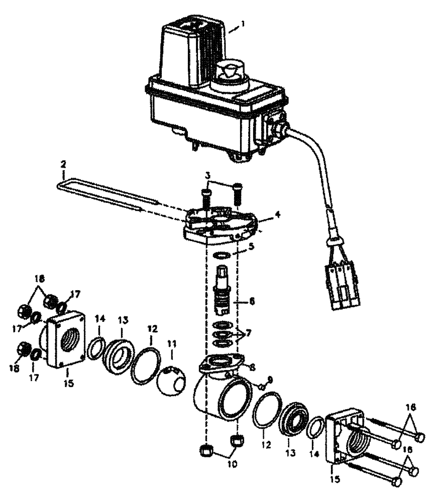
17
15
18
7
13
13
18
14
2
3
16
6
17
15
8
11
12
1
9
5
17
4
14
12
10
FIT
1:1
100%

Артикул

Название

Примечание

Количество

0

87546542

HYDRAULIC VALVE

Electric 1"

1шт.

1

87546957

MOTOR

2 WIRE

1шт.

2

87500054

CLIP

valve body Spraying Systems 50517-SSPV

1шт.

4

87500053

PLATE

valve adapter

1шт.

6

87500140

VALVE STEM

stainless

1шт.

11

87422332

BALL

poly valve

1шт.

19

87422324

SERVICE KIT

344-AEC Ball Valve

1шт.

Includes Refs. 5, 7, 9, 12, 13, 14

1шт.

20

87500141

REPAIR KIT

electric ball valve

1шт.

Includes Refs. 6, 11, 19

1шт.

Выбрано товаров: 10