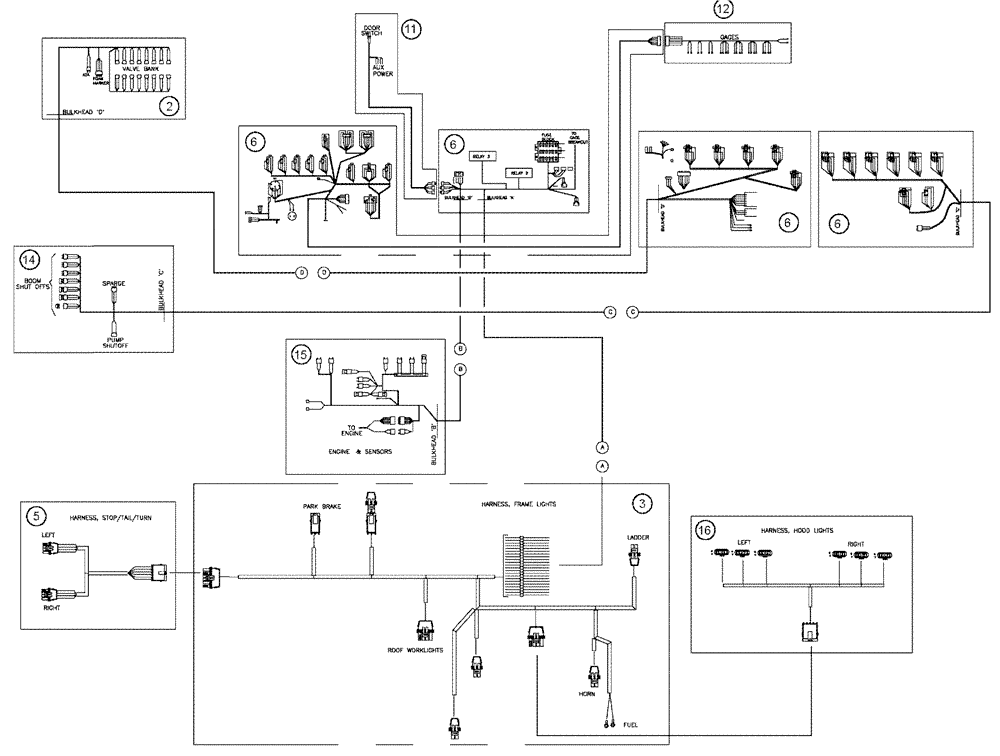
Запчасти Case IH 3150 (12-001[02]) - WIRE HARNESS PACKAGE SERIAL #20001 AND LATER (06) - ELECTRICAL

Схема запчастей Case IH 3150 - (12-001[02]) - WIRE HARNESS PACKAGE SERIAL #20001 AND LATER (06) - ELECTRICAL
14
6
2
3
15
14
6
16
6
6
11
5
12
5
FIT
1:1
100%

Артикул

Название

Примечание

Количество

87272251

FRAME WIRE HARNESS

1шт.

1

87271877

WIRE HARNESS

Liquid 782B

1шт.

See Fig. 12-008

1шт.

2

87272370

WIRE HARNESS

Valve Bank, 782A

1шт.

See Fig. 12-009

1шт.

3

87272371

WIRE HARNESS

Frame Lights, Miscellaneous

1шт.

See Fig. 12-010

1шт.

4

87272165

WIRE HARNESS

Hydraulic Tank

1шт.

See Fig. 12-011

1шт.

5

BN316634

WIRE HARNESS

lights, C section

1шт.

See Fig. 12-012

1шт.

BN69021

CAB WIRE HARNESS

1шт.

6

342488A1

HARNESS

main cab

1шт.

7

BN307101

CABLE

8GA. X 14"

1шт.

8

BN317091

WIRE HARNESS

MASTER SPRAY

1шт.

9

BN320017

CABLE

Positive, C.B./Cab

1шт.

10

BN68776

WIRE HARNESS

1шт.

11

BN68777

WIRE HARNESS

AUX SUP

1шт.

12

BN67975

WIRE HARNESS

(GAUGE ASSY)

1шт.

14

BN69619

WIRE HARNESS

Boom, S.O. Frame

1шт.

15

BN68032

WIRE HARNESS

Engine, Hydraulic Tank

1шт.

16

BN315182

HARNESS

HOOD LIGHTS

1шт.

BN300054

HEADLIGHT

Assy, RH

1шт.

BN300055

HEADLIGHT

Assembly, LH

1шт.

Выбрано товаров: 24