Запчасти Case IH 3150 (01-002) - CONTROLS, ELECTRICAL Cab Interior

Схема запчастей Case IH 3150 - (01-002) - CONTROLS, ELECTRICAL Cab Interior
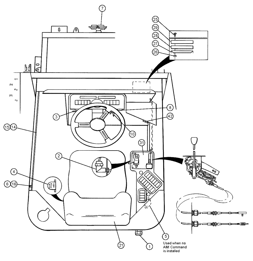
28
29
2
8
4
7
27
14
21
10
26
5
25
16
42
31
3
15
1
6
FIT
1:1
100%

Артикул

Название

Примечание

Количество

1

BN66132

GROMMET

strain relief-bat.

2шт.

2

BN29523

ELBOW

Fitting - Electric-Liquid Tight

1шт.

3

87271837

FLASHER UNIT,12V

Dual Rate With Handle

1шт.

4

BN67965

POWER SOCKET

Assy, Outlet w/End

1шт.

5

BN306058

1шт.

5a

BN306057

CONTACT HOUSING

TERMINAL

1шт.

Parts of Assy, Terminal Cover, P/N BN306058

1шт.

5b

BN50052

LOCK NUT,1/4"-20, USR, SS

2шт.

Parts of Assy, Terminal Cover, P/N BN306058

1шт.

5c

BN50697

BOLT,Hex, 1/4" - 20 x 1/2", SST

2шт.

Parts of Assy, Terminal Cover, P/N BN306058

1шт.

6

BN67968

SWITCH

Door (Dome Light)

1шт.

6a

493-41017

LOCK WASHER,Ext, #8

2шт.

Associated Part of Switch Door (Dome Light) P/N BN67968

1шт.

6b

86977693

NUT,Serrated, #8 - 32, Gr 5

#8-32

2шт.

Associated Part of Switch Door (Dome Light) P/N BN67968

1шт.

6c

BN52046

BOLT,Pan Hd, Phil, #8 - 32 x 1/2", Stainless

8"-32 x 1/2" SS, PH, Phillip

2шт.

Associated Part of Switch Door (Dome Light) P/N BN67968

1шт.

7

NS

NOT SERVICED

Horn Assembly

1шт.

See Fig. 04-009

1шт.

8

BN319663

BUZZER

Chime Tone

1шт.

10

334554A1

SWITCH

ignition, with 2 keys

1шт.

10a

BN196-48-31C2

KEY, IGNITION

2-Case Logo

1шт.

Service Parts for Ref. 10

1шт.

14

BN50125

NUT

4-40, HH, G5

4шт.

15

BN67371

STRIP

Door Stop

1шт.

16

BN69132

EXTENSION

SWITCH, DOMELIGHT

1шт.

21

NS

NOT SERVICED

Air Seat Group, SST

1шт.

See Fig. 01-013

1шт.

25

88346

BOLT,Hex, 5/16" - 18 x 2 1/2", Gr 5

2шт.

26

280736

NUT,5/16"-18, GC

2шт.

27

BN68264

COVER

14 GA HRS 6.25 X 8.5

1шт.

28

BN68265

RUBBER SEAL

RUBBER, 1 X 5 X 7

1шт.

29

BN68266

RUBBER SEAL

1 x 5 x 7

1шт.

31

BN313653

CONTROL, SHIFT & THROTTLE, SEE FIG. 01-012

1шт.

42

BN16018

ALARM

Low Hopper

1шт.

Выбрано товаров: 36