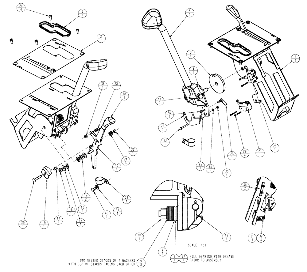
Запчасти Case IH 3150 (01-009) - PROPEL, THROTTLE ASSEMBLY Cab Interior

Схема запчастей Case IH 3150 - (01-009) - PROPEL, THROTTLE ASSEMBLY Cab Interior
26
2
28
30
40
14
22
6
31
20
3939
33
38
36
5
18
10
19
35
8
37
12
32
17
11
36
15
9
14
34
23
25
23
24
13
29
3
4
1
16
21
27
7
FIT
1:1
100%

Артикул

Название

Примечание

Количество

1

87268238

BRACKET

Prop/Throttle

1шт.

2

87270579

DECAL

Propel/Throttle, 96 1/2

1шт.

3

251090A1

THRUST WASHER

wear

1шт.

4

113318A2

SUPPORT

propulsion control lever

1шт.

5

BN323510

LEVER

prop control

1шт.

See Fig. 01-011

1шт.

6

128833A2

GUIDE

Propulsion Control Lever

1шт.

7

86625244

WASHER,0.47" ID x 1" OD x 0.1" Thk

7/16 Hardened

2шт.

8

159688R91

THRUST BEARING

1шт.

9

1994980C1

BELLEVILLE WASHER

Belleville, M10

8шт.

10

BN305066

NUT,7/16" - 14, Gr 8

7/16-14, FLN, G8

1шт.

11

27-8343

CLEVIS PIN,12.7mm OD x 87.33mm L

1шт.

12

80755

COTTER PIN,1/8" OD x 1" L

1шт.

13

87270571

WASHER

FLANGED NYLON

2шт.

14

86625263

WASHER,9mm ID x 20mm OD x 1.6mm Thk

3шт.

15

87271788

LEVER

96 1/2 throttle

1шт.

16

86528579

NUT,M8 x 1.25

1шт.

17

259040A1

INSERT

glide, friction device

2шт.

18

134071A1

KNOB

Throttle Control

1шт.

19

258734A2

BRACKET

bracket, friction device

1шт.

20

811-6035

CARRIAGE BOLT,Short NK, M6 x 35, Cl8.8, Full Thd

1шт.

21

343204A1

BELLEVILLE WASHER

Bellville .255 id

3шт.

22

353308

NUT,M6 x 1.0, Cl 8

1шт.

23

86550597

BALL JOINT,1/4" -28 x 1

Quick Disconnect

2шт.

24

161-114

HEX SOC SCREW,Btn Hd, 1/4" - 20 x 5/8"

4шт.

25

87270583

SPACER

.194 ID X .5 OD X .562

1шт.

26

87271314

ARM

CAM PLATE NEUTRAL

1шт.

27

BN323495

ADAPTER

Reverse

1шт.

28

BN323496

TOGGLE SWITCH

Neutral Safety Switch

1шт.

29

86511818

SCREW,Pan HD, M3 x 0.5 x 30mm, Cl 4.8

4шт.

30

342938A1

PLATE

PRP switch backing

2шт.

31

86639310

WASHER,3.2mm ID x 7mm OD x 0.5mm Thk

4шт.

32

824-1403

NUT,M3, Cl 5

4шт.

33

86511825

SCREW,Phillips Drive, Pan HD, M4 x 30mm, Cl 4.8

1шт.

34

89824840

WASHER,4.3mm ID x 9mm OD x 0.8mm Thk

1шт.

35

385681

NUT,M4 x 0.7, Cl 8

1шт.

36

20332

LOCK NUT,#10-32, GB

2шт.

37

PL

PROCURE LOCALLY

Petroleum Jelly

1шт.

38

86637977

CLAMP,25.4mm, Coat, 8.7mm Bolt Hole, P Type

1шт.

39

87361

WASHER,0.28" ID x 0.62" OD x 0.07" Thk

1шт.

40

413-46

BOLT,Hex, 1/4" - 20 x 3/8", Gr 5

1шт.

41

128593A1

SPRING

torsion, propulsion handle

1шт.

Выбрано товаров: 42