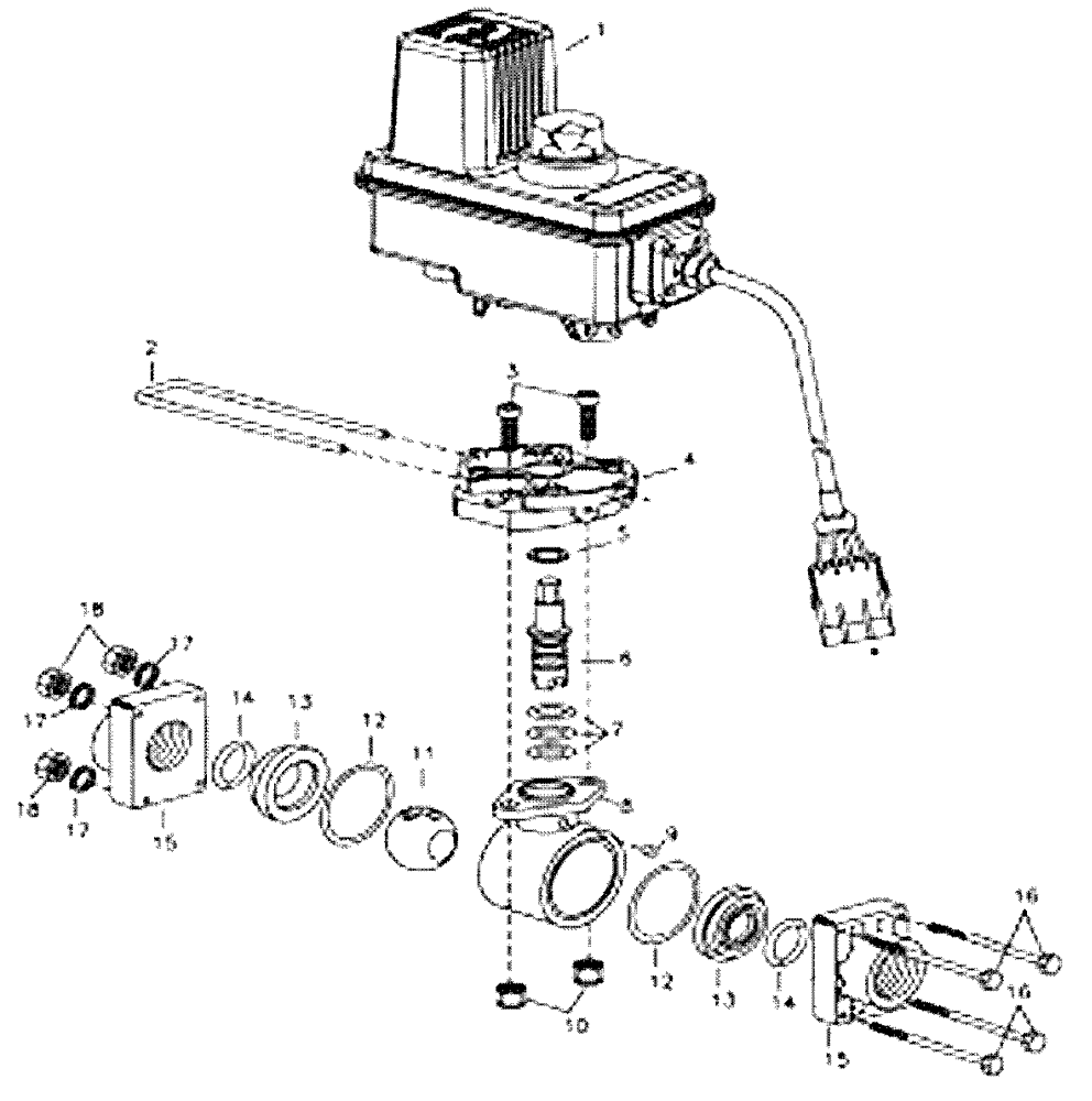
Запчасти Case IH 3185 (09-054) - VALVE, ELECTRICAL BALL Liquid Plumbing

Схема запчастей Case IH 3185 - (09-054) - VALVE, ELECTRICAL BALL Liquid Plumbing
7
12
14
2
4
12
15
6
20
6
13
211
3
14
16
17
1
1
10
15
17
10
12
14
9
FIT
1:1
100%

Артикул

Название

Примечание

Количество

0

87389559

VALVE

Electric, 1" Ball

1шт.

1

87500052

VALVE

body Spraying Systems 50515-22CP05

1шт.

2

87500054

CLIP

valve body Spraying Systems 50517-SSPV

1шт.

4

87500053

PLATE

valve adapter

1шт.

6

87500140

VALVE STEM

stainless

1шт.

8

87577838

TEE

fit poly 2" flange manifold

1шт.

11

87422332

BALL

poly valve

1шт.

16

87505186

SELF-TAP SCREW

4шт.

100

87422324

SERVICE KIT

344-AEC Ball Valve

1шт.

Service Parts for 87389559

1шт.

101

87500141

REPAIR KIT

electric ball valve

1шт.

Service Parts for 87389559

1шт.

Выбрано товаров: 12