Запчасти Case IH 3185 (04-017) - STEERING ARM ASSEMBLY Suspension & Frame

Схема запчастей Case IH 3185 - (04-017) - STEERING ARM ASSEMBLY Suspension & Frame
9
13
4
8
9
11
1
15
6
14
12
3
10
7
10
1
5
12
FIT
1:1
100%

Артикул

Название

Примечание

Количество

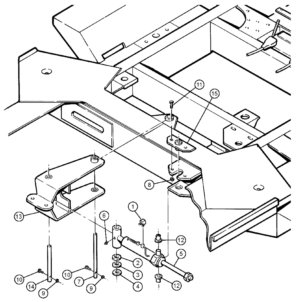
1

BN21401

ELBOW,90 Degree 3/8" NPT x 7/16"-20 JIC

2шт.

2

BN65463

WASHER

Machine Bushing - 18 GA

2шт.

3

BN65464

WASHER

Machine Bushing - 14 GA

2шт.

4

BN65465

WASHER

Machine Bushing - 10 GA

2шт.

5

87270933

HYDRAULIC CYLINDER,Double Acting, 19.05mm Rod, 203.2mm Stroke

Hydraulic, 2.00 x 8.00 x 1.0

1шт.

See Fig. 07-011

1шт.

6

BN10465

NIPPLE, LUBE,1/4"-28 st

NIPPLE

1шт.

7

BN25516

PIN

pivot - 1.03" x 12.5"

1шт.

8

86992215

LOCK NUT,1/2"-13, GC

2шт.

9

88902

NUT,3/8"-16

2шт.

10

88546

BOLT,Hex, 3/8" - 16 x 2 1/4", Gr 5

2шт.

11

BN50894

BOLT

1/2"-13 x 2.5, HH, 5, PL

2шт.

12

BN63711

FLANGED BEARING,25.4mm ID x 28.57mm OD x 31.75mm L

Flange, 1"

2шт.

13

BN69156

ARM

steering, 8" frame

1шт.

14

BN63780

PIN

1.03 dia. CRS x 10

1шт.

15

BN63790

BUSHING

1шт.

Выбрано товаров: 16