Запчасти Case IH 3185 (03-012) - WASTEGATE ACTUATOR (01) - ENGINE

Схема запчастей Case IH 3185 - (03-012) - WASTEGATE ACTUATOR (01) - ENGINE
6
a
2
7
6
8
5
4
1
11
10
9
7
3
FIT
1:1
100%

Артикул

Название

Примечание

Количество

0

J802697

KIT

turbocharger with gaskets

1шт.

Also includes Refs. 2 - 23 on Fig. 03-011

1шт.

0

JR802697

REMAN-TURBOCHARGER

Remanufactured TURBOCHARGER

1шт.

0

JC536327

CORE-TURBOCHARGER

Return Number

1шт.

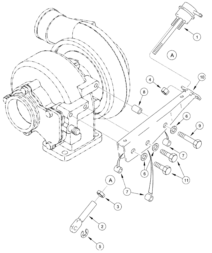
1

J594348

ACTUATOR

TURBOCHARGER

1шт.

2

J528177

LINK

ADJUSTING

1шт.

3

425-155

JAM NUT,Jam, 5/16"-24, G5

1шт.

4

J528204

LOCK NUT

LOCK

2шт.

5

J528221

CIRCLIP

RETAINING

1шт.

6

86624184

WASHER,9mm ID x 16mm OD x 1.6mm Thk

3шт.

7

J532195

SPACER,9.38mm ID x 16.03mm OD x 13.7mm L

MOUNTING, SHORT

3шт.

8

J532196

SPACER,9.38mm ID x 16.03mm OD x 19mm L

MOUNTING, LONG

1шт.

9

814-8055

BOLT,Hex, M8 x 1.25 x 55mm, Cl 8.8

1шт.

10

J533328

SUPPORT

BRACKET - WASTEGATE ACTUATOR

1шт.

11

412479

BOLT,Hex, M8 x 1.25 x 35mm, Cl 8.8

2шт.

Выбрано товаров: 15