Запчасти Case IH 3185 (12-001) - HARNESS FLOW DIAGRAM (06) - ELECTRICAL

Схема запчастей Case IH 3185 - (12-001) - HARNESS FLOW DIAGRAM (06) - ELECTRICAL
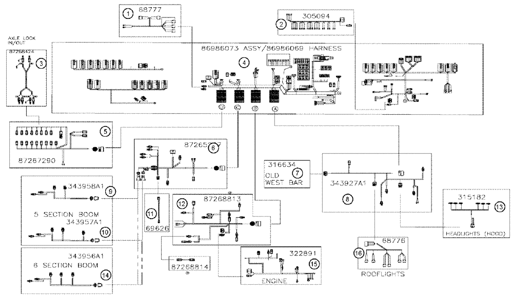
10
15
5
2
1
11
9
16
7
14
12
8
4
6
13
3
FIT
1:1
100%

Артикул

Название

Примечание

Количество

1

BN68777

WIRE HARNESS

CAB AUX SUPP

1шт.

2

BN305094

HARNESS

CAB GAGE ASSY

1шт.

3

87272252

WIRE HARNESS

Axle Lock, 785A

1шт.

4

86986069

HARNESS

Main Cab 781D

1шт.

5

87272247

WIRE HARNESS

VALVE BANK

1шт.

6

87271868

WIRE HARNESS

Liquid Function, 785A

1шт.

87265267

WIRE HARNESS

LIQ. FUNCT

1шт.

Indicates Old Part Number or Can Order Newer Part Number Listed above

1шт.

87265264

RELAY

Power, Boom Shut-Off

1шт.

Associated Part of Harness, Liquid Function, P/N 87271868 or 87265267

1шт.

7

BN316634

WIRE HARNESS

LIGHTS C SECTION

1шт.

8

87272248

WIRE HARNESS

Frame Lights, Miscellaneous

1шт.

9

343958A1

HARNESS

5 section RH boom

1шт.

10

343957A1

HARNESS

5 section LH boom

1шт.

11

BN69626

HARNESS

FLOWMETER ADAPTOR

1шт.

12

87272164

WIRE HARNESS

Engine & Sensor, 785A

1шт.

13

BN315182

HARNESS

HEADLIGHTS

1шт.

14

343956A1

HARNESS

6 section boom

1шт.

15

87270000

WIRE HARNESS

ENGINE

1шт.

16

BN68776

WIRE HARNESS

ROOF LIGHTS

1шт.

Выбрано товаров: 20