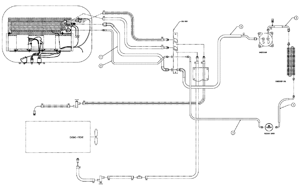
Запчасти Case IH 3185 (02-011) - A/C HOSE KIT Cab Exterior

Схема запчастей Case IH 3185 - (02-011) - A/C HOSE KIT Cab Exterior
8
2
1
3
4
3
FIT
1:1
100%

Артикул

Название

Примечание

Количество

1

BN313002

HOSE

ASSY W/O-RING (A.C.)

1шт.

1a

9827059

O-RING,1.78mm Thk x 14mm ID, 70 Duro

1шт.

Service Parts for Ref. 1

1шт.

1b

189819A1

O-RING,1.78mm Thk x 17mm ID

11/16 ID, HNBR, blk

1шт.

Service Parts for Ref. 1

1шт.

2

BN310620

HOSE ASSY.

W/O-RING (A.C.)

1шт.

2a

9827059

O-RING,1.78mm Thk x 14mm ID, 70 Duro

1шт.

Service Parts for Ref. 2

1шт.

2b

BN312145

JAM NUT

JAM 1 1/16-14

1шт.

Service Parts for Ref. 2

1шт.

2c

BN312146

WASHER

1.07 x 1.31 x .06

1шт.

Service Parts for Ref. 2

1шт.

3

BN311012

FLEXIBLE HOSE

w/ O-ring (A.C.)

1шт.

3a

128483A1

O-RING,1.78mm Thk x 7.65mm ID, 70 Duro

5/16 id x 1/16

1шт.

Service Parts for Ref. 3

1шт.

3b

9827058

O-RING,0.07" Thk x 0.426" ID, -13, Cl 5, 70 Duro

1шт.

Service Parts for Ref. 3

1шт.

3c

9827059

O-RING,1.78mm Thk x 14mm ID, 70 Duro

1шт.

Service Parts for Ref. 3

1шт.

4

BN67787

HOSE

w/ O-Ring (A.C.)

1шт.

4a

128483A1

O-RING,1.78mm Thk x 7.65mm ID, 70 Duro

5/16 id x 1/16

2шт.

Service Parts for Ref. 4

1шт.

5

BN67794

HOSE

w/ O-Ring (A.C.)

1шт.

5a

128483A1

O-RING,1.78mm Thk x 7.65mm ID, 70 Duro

5/16 id x 1/16

1шт.

Service Parts for Ref. 5

1шт.

5b

BN312537

WASHER

JAM 5/8-18

1шт.

Service Parts for Ref. 5

1шт.

5c

BN312538

WASHER

1шт.

Service Parts for Ref. 5

1шт.

6

BN67791

HOSE

w/ O-Ring (A.C.)

1шт.

6a

128483A1

O-RING,1.78mm Thk x 7.65mm ID, 70 Duro

5/16 id x 1/16

2шт.

Service Parts for Ref. 6

1шт.

Выбрано товаров: 32