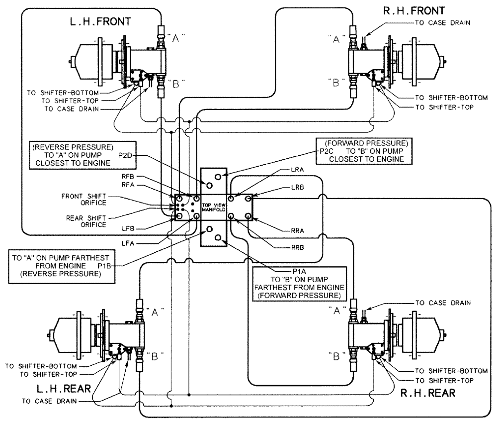
Запчасти Case IH 3185 (06-019) - MANIFOLD TO WHEEL MOTOR Hydraulic Plumbing

Схема запчастей Case IH 3185 - (06-019) - MANIFOLD TO WHEEL MOTOR Hydraulic Plumbing
FIT
1:1
100%