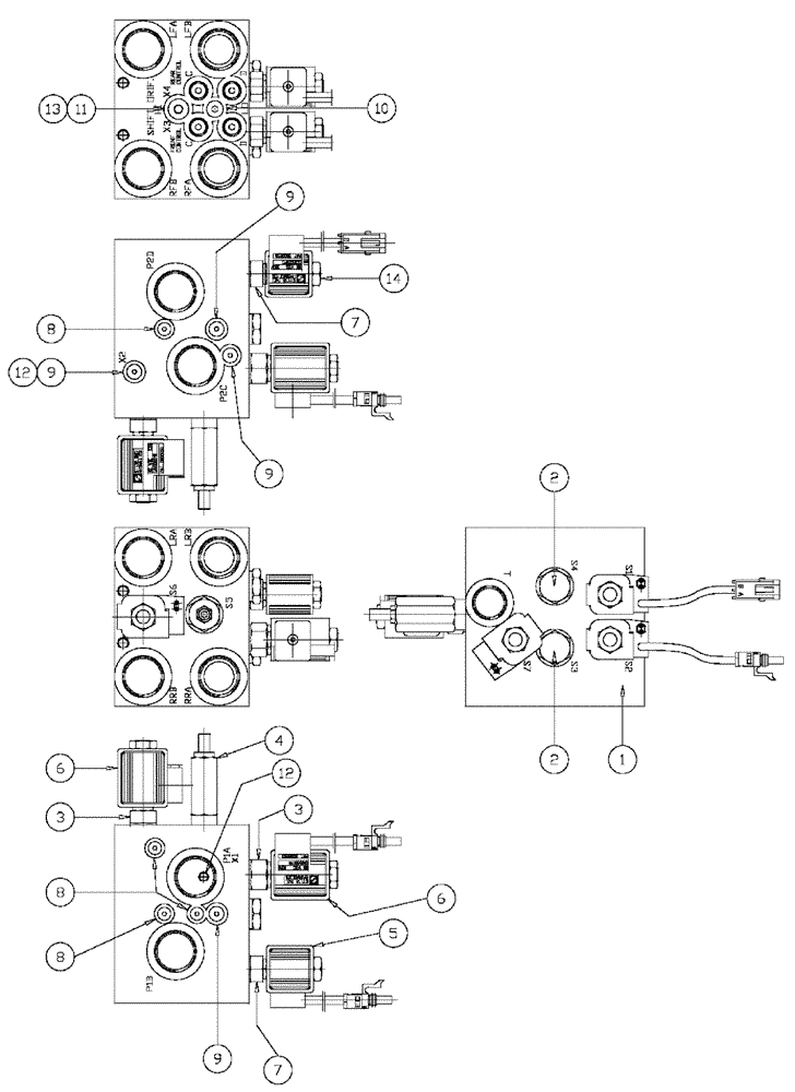
Запчасти Case IH 3185 (06-021) - SHIFT BLOCK Hydraulic Plumbing

Схема запчастей Case IH 3185 - (06-021) - SHIFT BLOCK Hydraulic Plumbing
2
8
6
10
7
3
9
12
132
8
14
6
2
9
5
8
3
9
11
12
1
9
7
4
FIT
1:1
100%

Артикул

Название

Примечание

Количество

1

BN300302

BLOCK

Swiss Cheese

1шт.

2

BN300303

HYDRAULIC VALVE

Shuttle

2шт.

3

BN300304

SOLENOID VALVE

Traction

2шт.

3a

BN300315

SEAL KIT

For BN300304

1шт.

Service Parts for Ref. 3

1шт.

4

BN300305

VALVE PRESSURE RELIE

1шт.

4a

BN300316

SEAL KIT

For BN300305

1шт.

Service Parts for Ref. 4

1шт.

5

BN300306

COIL

12VDC, Shift With Male Packard Connector

1шт.

6

BN300307

COIL

12 VDC, Traction

2шт.

7

BN300308

SOLENOID VALVE

Shift

2шт.

7a

BN300317

SEAL KIT

For BN300308

1шт.

Service Parts for Ref. 7

1шт.

8

86632547

PLUG,Hex, 5/16"-24 ORB

4шт.

9

86529630

PLUG,Hex Soc, 3/8"-24 ORB

4шт.

10

278548

PLUG,Hex, 7/16"-20 ORB

1шт.

11

9625178

PLUG,9/16" - 18 ORB

1шт.

12

BN300313

ORIFICE

.070 Load Share

2шт.

13

BN300314

ORIFICE

.020 shift

2шт.

14

BN301705

COIL

12VDC, shift w/ female Packard connector

1шт.

Выбрано товаров: 20