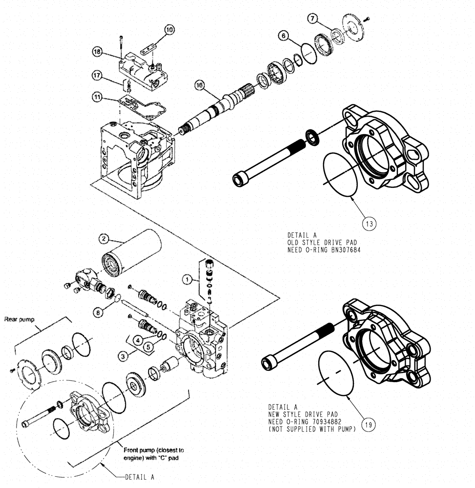
Запчасти Case IH 3185 (06-026) - HYDROSTATIC PUMP Hydraulic Plumbing

Схема запчастей Case IH 3185 - (06-026) - HYDROSTATIC PUMP Hydraulic Plumbing
10
8
3
4
18
13
6
7
1
19
2
17
11
16
5
FIT
1:1
100%

Артикул

Название

Примечание

Количество

1

BN300952

KIT

Charge Relief

2шт.

2

N14232

FILTER

Element, Spin On

2шт.

3

BN67191

VALVE PRESSURE RELIE

Multi-Function 90S

4шт.

4

BN65541

O-RING

M/F Valve Upper

4шт.

5

BN65542

O-RING

M/F Valve Lower

4шт.

6

BN65544

O-RING

Shaft, 75 CC

1шт.

7

BN65546

SEAL

Lip, Shaft 75 CC

1шт.

8

BN68470

O-RING

Filter Head, 90 Pump

2шт.

10

BN67479

HANDLE

SS 90 SERIES PUMP

2шт.

11

BN68509

GASKET

Control Body

2шт.

13

BN307684

O-RING

SAE pad

1шт.

16

BN318290

SHAFT

23T 16/32, FRONT PUMP (CLOSEST TO ENGINE)

1шт.

17

BN68508

O-RING

control shaft

2шт.

18

BN68507

CONTROL

MDC, COMPLETE

2шт.

19

70934882

O-RING,0.103" Thk x 4.737" ID, -158, Cl 7, 75 Duro

.103 X 4.737 158 7

1шт.

20

BN312707

SHAFT

1шт.

Выбрано товаров: 16