Запчасти Case IH 3210 (04-021) - AXLE ADJUST Suspension & Frame

Схема запчастей Case IH 3210 - (04-021) - AXLE ADJUST Suspension & Frame
5
12
3
2
8
4
2
8
4
7
5
8
9
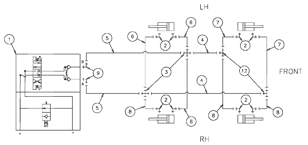
1
2
2
6
6
8
7
FIT
1:1
100%

Артикул

Название

Примечание

Количество

1

87271738

HYDRAULIC VALVE

Axle Adjust, 3210

1шт.

2

BN302549

ELBOW

4MOR 6MB X 90

8шт.

3

BN302462

FITTING

4MOR-4MOR-4MOR-4MOR

2шт.

4

87271826

HOSE

4 x 160"

2шт.

5

87517833

HOSE

4 X 38

2шт.

6

87272036

HOSE

4 x 32"

2шт.

7

87272037

HOSE

4 x 43"

2шт.

8

BN307845

HOSE ASSY.

4шт.

9

BN22160

ELBOW

90° 9/16-18 O-Ring X 7/16-20 JIC

2шт.

10

87341834

BOLT,Hex, M6 - 1 x 100mm, Cl 8.8, DOR

M6 X 100 8.8

2шт.

11

86624184

WASHER,9mm ID x 16mm OD x 1.6mm Thk

2шт.

12

BN302511

FITTING

4MOR 4MOR

2шт.

Выбрано товаров: 12