Запчасти Case IH 3210 (03-031) - AIR CLEANER PACKAGE (01) - ENGINE

Схема запчастей Case IH 3210 - (03-031) - AIR CLEANER PACKAGE (01) - ENGINE
4
1
5
13
11
2
8
18
10
6
16
7
1
9
14
12
FIT
1:1
100%

Артикул

Название

Примечание

Количество

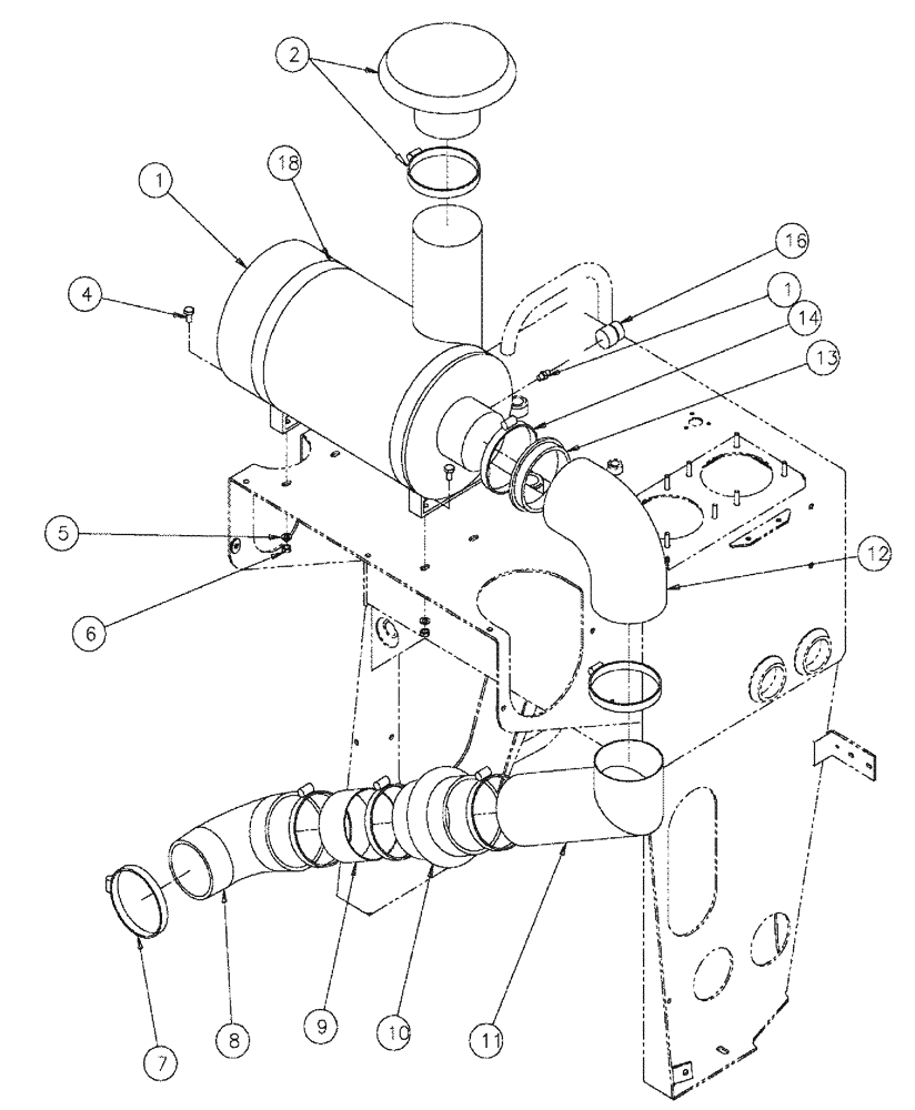
1

247825A2

AIR CLEANER

4.5 outlet

1шт.

87564844

AIR FILTER

ELEMENT, FILTER primary

1шт.

Service Parts for Ref. 1

1шт.

87564846

AIR FILTER

ELEMENT, FILTER secondary

1шт.

8605079

COVER

assembly

1шт.

Service Parts for Ref. 1

1шт.

249989A1

O-RING,0.27" Thk x 10.5" ID

1шт.

Service Parts for Ref. 1

1шт.

A184597

VALVE POPPET,1.93" ID x 2.24" OD x 1.84" L

Evacuator

1шт.

D36264

FITTING

1шт.

2

54-305

CAP

Hood, Air Inlet, With Clamp

1шт.

54-305

CAP

Hood, Air Inlet, With Clamp

1шт.

Associated Part of Hood Air Inlet, Blk W/clamp, P/N 54-305

1шт.

BN320355

CLAMP

hood, air inlet

1шт.

Associated Part of Hood Air Inlet, Blk W/clamp, P/N 54-305

1шт.

4

BN50250

BOLT,3/8"-16 x 3/4", Stainless Steel

4шт.

5

BN50146

WASHER,3/8", Stainless

4шт.

6

BN50062

LOCK NUT,3/8"-16, Stainless Steel

4шт.

7

BN69643

CLAMP

T-BOLT, 4.50 LONG BLT

1шт.

8

BN306335

ELBOW

90°, 5 x 4

1шт.

9

BN318699

TUBE

AIR CLEANER

1шт.

10

BN318717

HOSE,5.00" ID

Hump

1шт.

11

BN318698

TUBE

AIR CLEANER, WELDME

1шт.

12

BN318716

5 X 5 X 90 DEG RUB

1шт.

13

BN318715

SLEEVE

reducer, inlet

1шт.

14

BN25675

CLAMP

T-Bolt 5 1/2"

5шт.

16

BN66126

INDICATOR

Filter, Electric

1шт.

18

S238773

CLAMP

MOUNT BAND (AIR CLEANR)

2шт.

Выбрано товаров: 0