Качественные детали и логистика
Оригинальные и аналоговые запчасти с доставкой по России, Казахстану и Беларуси
©2022 PartSell ООО "Система" ИНН 2463123282 ОГРН 1212400004838
Центральный офис: г. Красноярск, Академика Киренского, д.87, пом.4
Телефон: 8 (800) 777-65-74 Email: zakaz@partsell.ru
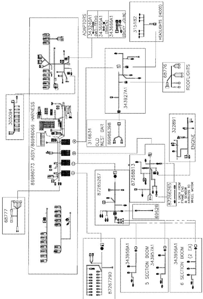
(10-005) - HARNESS FLOW DIAGRAM
№
Артикул
Название
Примечание
Количество
NS
NOT SERVICED
Harness Flow Diagram
1шт.
87265264
RELAY
Power, Boom Shut-Off
Выбрано товаров: 0